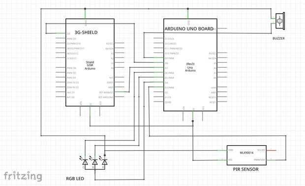
BRICOLAJE - cómo utilizar la Arduino Uno para enviar un correo electrónico, SMS y hacer una voz llamar (2 / 5 paso)

Paso 2: Vista de placa y diagrama del circuito

Unidos son el punto de vista de la placa y el esquema del proyecto.

Artículos Relacionados

Cómo uso mBlock Software para Control de la placa de Arduino UNO para tocar el órgano electrónico

Cómo uso mBlock Software para Control de la placa de Arduino UNO para tocar el órgano electrónico

mBlock es un software de programación gráfica que está diseñado partiendo de cero y es compatible con placas Arduino Arduino UNO, Nano, mega 2560, leonardo, PicoBoard, Makeblock Junta y etc.. La gente puede programar su aplicación, proyectos de Ardui
Piratería bandeja de entrada de Microsoft Office Outlook para direcciones de correo electrónico

Piratería bandeja de entrada de Microsoft Office Outlook para direcciones de correo electrónico

probablemente tienes un montón de direcciones de correo electrónico en su buzón de correo electrónico de Microsoft Office pero no ha tenido una manera fácil de conseguir. He tenido este problema, así que una manera de extraer fácilmente todas estas d
Nuevo correo electrónico de uso y una etiqueta de perro para obtener sus claves perdidas (y otras cosas).

Nuevo correo electrónico de uso y una etiqueta de perro para obtener sus claves perdidas (y otras cosas).

Todos odiamos perder cosas, pero las claves son un problema especial. De la materia como equipaje, puede poner una pequeña etiqueta con información de contacto y que el buscador le dará una llamada. Las teclas son diferentes. Por un lado, desea tener
Remitente de correo electrónico Arduino Ethernet adaptador/escudo

Remitente de correo electrónico Arduino Ethernet adaptador/escudo

Hola de nuevo.No hace mucho llegué a de 50.000 vistas en mi módulo de ESP8266 Wi-fi. Me sorprendió bastante y queria agradecer a todos los que visto, le gustó y comentado en él. El 2 de septiembre., he publicado instructable sobre estación meteorológ
Conexión de Arduino con Temboo y lectura de correo electrónico

Conexión de Arduino con Temboo y lectura de correo electrónico

Gramanet,Soy Pranav Sharma este es mi 2 º instructable y hoy voy a mostrar cómo conectar tu placa Arduino Temboo y leer Emails desde tu cuenta de Gmail.COSAS QUE NECESITAMOS1) Arduino Uno (o cualquier otro se junta trabajo fino)2) Ethernet Shield3) G
BRICOLAJE de IoT WiFi detector de movimiento con notificación por correo electrónico con sensor PIR y ESP8266

BRICOLAJE de IoT WiFi detector de movimiento con notificación por correo electrónico con sensor PIR y ESP8266

En este proyecto estoy utilizando el módulo de WiFi de ESP8266 y detector de movimiento PIR sensor para recibir alertas de correo electrónico si alguien entra en la habitación mientras yo estoy lejos. Estoy usando GadgetKeeper plataforma en la nube p
Centro de ayuda para el correo electrónico de Yahoo emite estos días el número de asistencia de contacto

Centro de ayuda para el correo electrónico de Yahoo emite estos días el número de asistencia de contacto

No hay alteración tiempo para los compradores al enfoque al yahoo facilitan línea gama de Yahoo. Los compradores en por fin se enfrentan a cualquier tipo de problemas con Yahoo, simplemente se acercan la gama de la línea de ayuda incluso en la noche.
Beeduino: Caseros Arduino Uno para $6

Beeduino: Caseros Arduino Uno para $6

¿Hey cual es el costo de esta placa azul cosita, "Arduino" Creo que su llamado? Bien el costo es aproximadamente $30 por tablero. Woah $30 para solo este simple circuito. ¿Cuál es tan especial en ella? Bueno nada en realidad. Sólo una plataforma
Enviar correo electrónico con ESP8266 y Arduino UNO

Enviar correo electrónico con ESP8266 y Arduino UNO

Cómo llegar Adafruits "send_email_smtp.ino" a Enviar correo electrónico con ESP8266 y Arduino UNO.Y eliminar el problemasin respuesta del módulo de"muchos tienen.El módulo funciona con 3.3v lógica según la documentación, pero no tenía ningú
Alertas de correo electrónico Arduino

Alertas de correo electrónico Arduino

¡ Hola! En este instructable, te voy a mostrar cómo activar un LED cuando llegue un correo electrónico. La razón por la que hizo esto es porque cuando llego a casa de la escuela, quiero saber si me debo molesto en revisar mi correo.Es muy sencillo.Es
Leer correo electrónico con Arduino y protector de la onda

Leer correo electrónico con Arduino y protector de la onda

como parte de mi proyecto (ese proyecto es en un concurso así que si usted esta entonces vota por que!) que usa un Arduino para interrumpir una fuente de sonido extrernal (es decir, iPod) para hacerle saber acerca de cosas que a tu alrededor, lo tení
Correo electrónico control de reloj con Arduino Yun y cómo devolver mensajes no leídos como un entero.

Correo electrónico control de reloj con Arduino Yun y cómo devolver mensajes no leídos como un entero.

En este video usamos un Arduino Yun (o leonardo con un escudo de Wi-Fi) para comprobar su cuenta de correo electrónico (o la etiqueta solicitada) y devolver el número de correos electrónicos no leídos como un entero para ser utilizado en otro proyect
Modelo de la firma de perspectiva 3D. Se diseño un modelo personalizado para las tres primeras personas que comentaran!! (incluya su dirección de correo electrónico)

Modelo de la firma de perspectiva 3D. Se diseño un modelo personalizado para las tres primeras personas que comentaran!! (incluya su dirección de correo electrónico)

recuerdo haber visto una escultura en un álbum que estaba navegando a través de, y era un hombre tocando un piano desde un vista y un hombre tocando el violín desde otro punto de vista. Yo estaba fascinado por el concepto y decidió crear uno propio.Y
Uno mismo que contienen componentes electrónicos lámpara

Uno mismo que contienen componentes electrónicos lámpara

Siempre nos han dicho que los componentes electrónicos tienen que ser conectados en un trazado de circuito a trabajar. Batería, interruptor, LED luz, no pueden existir solo y trabajar por individuo. Pero quiero hacer la frontera más allá de esta noci