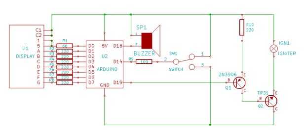
Paso 3: Construir el circuito







Corte su perfboard con una dremel o sierra para metales para que quepa dentro de su caja de proyecto. Comenzar a soldar el circuito en perfboard una vez que se han probado en un protoboard. Decidí añadir cabeceras masculinos a mi perfboard así puedo conectar el tablero en el Arduino, en lugar de enchufar los cables en el Arduino. Creo que es un proyecto mucho mejor en general. El diseño del circuito se deja a usted, pero he dejado unas cuantas fotos de mi diseño si usted necesita un poco de inspiración. También, si usted elige utilizar cabeceras masculinas, asegúrese de que los componentes no bloqueen el Arduino de conectar en el circuito. Si no está seguro acerca de esto, o cualquier otra cosa, se refieren a los cuadros.
La prueba de protoboard:
Una prueba del circuito de soldadura: