




ALCANCE DEL PROYECTO
06 de agosto de 2013
RESUMEN
1. antecedentes y descripción del proyecto
Este es el primer proyecto que estoy empezando en el ámbito de la domótica y las conexiones inalámbricas. He limitado a usar con Bluetooth y quería conseguir más experiencia con la tecnología. Después de mirar alrededor me vio uno de estos en blanco o en WM por aproximadamente $99 (20/07/2013).
2. alcance del proyecto
Este proyecto incluirá un interruptor electrónico que acepta entrada de Bluetooth o un sensor táctil para encender y luego apagar la luz. Esta es la versión 1.0, que menciono esto ya que hay versiones futuras que se añadirá para el diseño más adelante. Proyecto debería costar lo menos posible con el uso más fácil para personas no técnicas. (especialmente familiares).
3. alto nivel requisitos
• Conectividad de diente azul
• Modo local para encender un apagado la luz con toque
4. afectados
Familia, amigos, que alguna vez sucede que en la casa.
5. específicas exclusiones del ámbito de aplicación
Nada en este momento.
6. Plan de implementación
Después de buscar en línea planeo comprar el módulo Bluetooth y un módulo de relé que reducirá la cantidad de tiempo necesaria para desarrollar este proyecto. Debido a los requisitos de voltaje y corriente es posible dañar los circuitos y o encender un fuego con los cables involucrados. También planeo hacer esto de un plugin de pared y se necesita un sólido 5V permanente fuente de energía para este proyecto.
7. alto nivel de línea de tiempo/horario
Comprar los artículos en línea
Busque localmente partes restantes con un descuento.
Desarrollar en un tablero de circuito y transferir a un circuito de soldado.
8. las partes
Las partes en línea fueron encontradas en sitios de muy bajo costo.
• Picaxe 18m 2 + ($3,91) http://www.robotshop.com/picaxe-18m2-microcontroller-chip.html?utm_source=google&utm_medium=base&utm_campaign=jos
• Bluetooth transceptor ($7) http://compare.ebay.com/like/290932857308?var=lv • módulo de relé de 5V de Arduino (funciona con placas Arduino oficiales) ($3)
http://DX.com/p/Arduino-5V-Relay-Module-Blue-Black-121354?utm_source=GoogleShoppingUS&utm_medium=CPC&utm_content=121354&utm_campaign=436&gclid=CPWxmPC76rgCFazm7AodATcAUA
• Ahora ahorrarse algo de dinero ir a buscar a 5V (1A-2A) convertidor de potencia desde el fondo de comercio local o similar de segunda mano.
• Pocas resistencias, cables y placa de circuito de su elección.
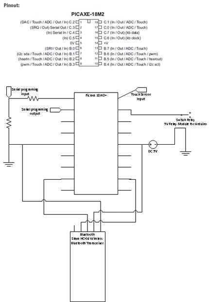
9. el circuito de
Necesita para programar el Picaxe chip sin embargo como no se trata de parte del producto terminado no se incluirán en el circuito. Podemos programar el chip en una soldadura menos Junta y moverse en el circuito presentado a continuación. Para hacer esto Conecte el chip por el manual del Picaxe se puede encontrar (http://www.picaxe.com/docs/picaxe18m2.pdf). Para hacer el circuito allí es realmente sólo algunas conexiones alimentación, tierra, serie TX, RX, toque y señal. Un total de 10 o menos conexiones. Abajo es el circuito trazado para usar el cargador de arranque de Picaxe.

https://Plus.Google.com/photos/106710414793493759480/albums/5909298573545462145?authkey=CLb-vanowvWQOA
10. programación
La idea básica en el programa de este proyecto es leer el valor de diente azul si usted obtener un patrón específico y luego ir a apagar la luz encendida o apagada, o si conseguir un toque encender la luz o apagado... en realidad no tenemos que saber si la luz está encendido o apagado que cambiamos.
El código es realmente sencillo.
///////////////////////////////////////////////////////////////////// code ////////////////////////////////////////////////////////////////////////////////////////////////////////
; madejas de Cody
; 06/08/2013
; PICAXE 18m 2 + código de interruptor de la luz
; entrada de bluetooth o un sensor de toque
; salida a un relé para la luz de encendido y apagado.
; restablecer la frecuencia para mejorar la resolución (y aumentar la velocidad de Bluetooth)
SETFREQ m8; configurar el chip a 8 Mhz
hsersetup B9600_8, % 00; ajuste a la velocidad en baudios de 9600 con una frecuencia de 8Mhz
C.1 entrada; configuración de la entrada para el sensor de tacto
salida C.0; salida de la instalación para el cable de señal al módulo de relé
que b2 = 0
principal: w1 = $FFFF ' configurar un valor no válido
; W1 es palabra uno sostuvo en bytes 2 y 3
hserin w1 ' recibir 1 byte en w1
Si w1 <> $FFFF luego; Si se recibe un byte que compruebe no el byte no válido
; ASCII 1 = dec 49 por lo que este debe comprobar un 1 enviado
; sobre el bluetooth de la señal y se alternará la salida
Si w1 = 49 luego
Toggle C.0
terminar si
; enviar a bluetooth para que podamos ver lo que recived
hserout 0, ("usted presiona un botón:", w1); volver a eco
terminar si
; Esto leerá el valor táctil de 16 bits en la memoria de w0
touch16 c.1,w0
; W0 es en bytes 0 y 1
; Busque 0 en el sensor de contacto dependiendo de la conexión y este ruido
; podría signl un toque
Si w0 = 0 then goto interuptloop
; enviar el valor a bluetooth, esto es para que podamos re programa para el correcto
; interrumpirse en un momento posterior.
hserout 0,("value:",#w0,13,10)
; el otro valor para mi setup es si w0 > 6000 y luego toque
Si w0 > 6000 entonces goto interuptloop
pausa de 5
; depuración de obras en el puerto serie de la programación y la salida los valores para todos
; ubicaciones de memoria al editor de programación
de depuración
Goto principal; lazo
interuptloop:
PAUSE 100; Waid antes a comprobar si su todavía ser tocado
touch16 c.1,w0; leer
hserout 0,("value:",#w0,13,10); salida a bluetooth para depurar
; Si todavía es ser tocado hacer nada y simplemente ir a lazo
Si w0 = 0 then goto interuptloop
Si w0 > 5400 entonces goto interuptloop
; una vez que su no más ser tocado luego cambiamos la luz.
Toggle C.0
; y lazo
Goto principal
////////////////////////////////////////////////////////////////////////////////////////////////////////////////////////////
11. los problemas
Hay un defecto importante en este diseño que provoca un problema constantemente. Un convertidor adc conectado a la placa de las Naciones Unidas no conectado a tierra que se encuentra al aire libre es decir el sensor de contacto es muy inseguro. Versión 2.0 – o más adelante utilizará un método mejor para esto... por ahora es simple desactivar el código