Paso 2: Armado del protoboard


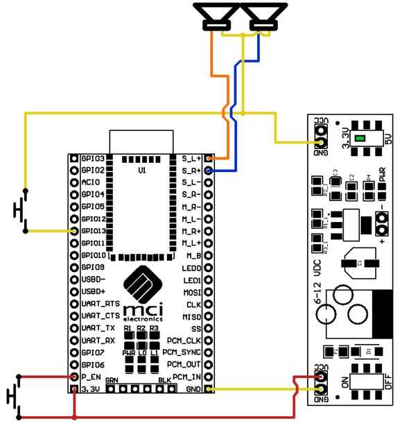
El voltaje de alimentación de esta tarjeta es de 3.3V por tanto usaremos un transformador 220VCA a 9VCC y una fuente para protoboard donde debemos asegurarnos el interruptor se encuentre en 3.3V y 5V no.
Luego agregamos dos pulsadores
para el encendido y el cambio de tema. Puedes agregar otros pulsadores para pausar y controlar el volumen.