Paso 16: Instalación de la placa en la sala de








Ahora una vez que estamos listos con el montaje del PWB, ha llegado la hora para la aplicación del mundo real del proyecto. Instalación de la placa en la sala.
1) abrir el cuadro eléctrico existente y tomar nota de los cables.
2) Desenroscar todas las conexiones (Asegúrese de que apagar la red y la inverter(if any)).
3) Conecte todas las conexiones a la placa.
4) Compruebe que los shorts o los cables sueltos (los cables de línea floja pueden causar chispas)
5) usando su propia creatividad, Monte la pantalla LCD en el panel.
6) poner todo en su sitio.
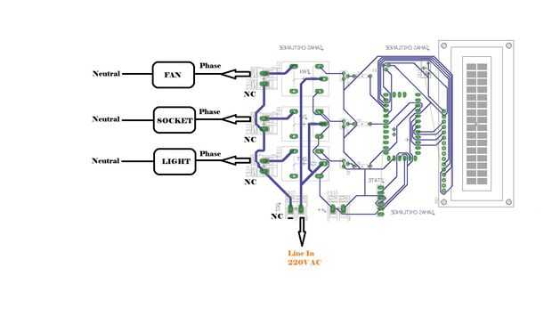
7) siga el diagrama de conexión para la instalación de la placa.
Eliminar todos los innecesarios cambia desde el panel de tablero eléctrico. Esto hará que el espacio para nuestros componentes.
## IMPORTANTE: Este paso implica la interacción con los alambres vivos, descuido puede resultar fatal. ¡ Tenga cuidado!
Si no estás familiarizado con el cableado eléctrico, mejor contrate a un electricista para la instalación. También asegúrese de aislar la parte posterior de la pcb con cinta de espuma para evitar cortocircuitos.