Bio avatar (2 / 5 paso)

Paso 2: Paso 2: producción de la fuente de alimentación del electrodo activo

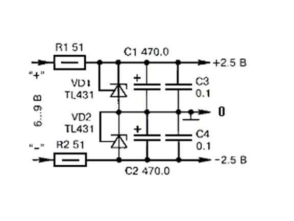
Para la energía del electrodo activo se utiliza el esquema: el circuito está montado en la protoboard. Hemos eliminado los grandes condensadores C1 y C2 en el 470 uF.

Artículos Relacionados

Legend of Knorra cruz puntada: equipo Avatar

Legend of Knorra cruz puntada: equipo Avatar

Punto de cruz patrón (en excel y forma del cuadro) con equipo de Avatar. Hay dos versiones: la versión de "envío" con Knorra y Asami con las manos y una versión de no envío.Paso 1: materiales Paño de Aida 14 Conde (patrón escrito para un marco d
Efectos especiales de maquillaje de Avatar

Efectos especiales de maquillaje de Avatar

Hi todo el mundo,Aquí es un time-lapse sobre cómo crear un personaje de Avatar para halloween o disfraces.Puedes ver cómo hacer orejas y qué materiales requieren en otros más aquí mi instructable echa un vistazo a este instructable para ver el proces
Máscara de Predator Bio - Pepakura (actualizado)

Máscara de Predator Bio - Pepakura (actualizado)

hice un casco de Jefe Maestro de Halo un par de años atrás para una sesión de chica del espacio. Realmente no terminarlo con un alto nivel, sólo pintado encima con todas las facetas en su lugar. Parecía mirar bien a mí, sin embargo me gustó el sistem
Gandhi: 17' alto Avatar cartón

Gandhi: 17' alto Avatar cartón

este instructable le llevará a través del proceso permite crear un 17' altura reproducción de mi avatar de Second Life, MGandhi Chakrabarti. En marzo de 2008 me y mi avatar de Gandhi caminado a través de Second Life durante 26 días para representar s
Cómo hacer un Avatar: The Last Airbender = traje de "El espíritu azul"

Cómo hacer un Avatar: The Last Airbender = traje de "El espíritu azul"

así para halloween, mi novia quería el espíritu azul de Avatar: The Last Airbender. Es un equipo bastante bueno para halloween, como el traje incorpora ropa bastante normal y sólo algunos apoyos importantes.Materiales:-Holgado pantalón negro-camiseta
Palabras con amigos Avatar

Palabras con amigos Avatar

Hola, voy a introducir palabras con amigos Edu: Cómo cambiar tu avatar.¿Vamos a empezar, siempre?Paso 1: perfil Desde la página de inicio, vaya a la ficha de perfil que se encuentra en la parte superior izquierda.Paso 2: lápiz Junto a su imagen, hay
Crear un Avatar animado

Crear un Avatar animado

esta guía le mostrará cómo hacer un pequeño GIF animado, para usar como avatar en foros del web.Paso 1: Haz todo lo que necesitas.En primer lugar, usted necesita obtener una copia del programa que desea hacer un GIF desde el ordenador. No puedo decir
Reemplace la pila del BIOS en una IBM Thinkpad 600 X barato

Reemplace la pila del BIOS en una IBM Thinkpad 600 X barato

si ves el error puesto en la foto en tu IBM Thinkpad 600 x pantalla, la batería del BIOS es probablemente muerta. Las pilas del BIOS de Thinkpad 600Xs ir por $40.00 en línea. Sin embargo, el real de la batería es simplemente una común reloj de litio
Traje de Avatar DIY! (para barato!)

Traje de Avatar DIY! (para barato!)

Convertido en un Avatar!Lo hice en menos de 20 dólares y era que todo el mundo es favorito en la fiesta de Halloween que asistí!Lo que usted necesita para hará up/pintura del cuerpo:CutipsSombra de ojos negroSombra de ojos azul claro (o pintura de la
Convirtiendo un avatar de twitter en una figura personalizada de reales

Convirtiendo un avatar de twitter en una figura personalizada de reales

Para cualquiera que tenga un avatar que utilizan en línea, esta es una forma que puede convertirse en un modelo 3-d, para mostrar alrededor de la casa o donde sea.Este método es vieja escuela modelado 3-d no impresión, así que asume un grado de capac
DIY Bio-plásticos

DIY Bio-plásticos

Bio-plásticos son una gran alternativa a los plásticos tradicionales, que a menudo se componen de productos derivados del petróleo. Como pasan los años, tenemos cada vez menos petróleo disponible para nosotros, por lo que es importante encontrar una
Cómo borrar información de la BIOS

Cómo borrar información de la BIOS

leer todo antes de usted uso cualquier método enumerados a continuaciónBásica BIOS contraseña crack - obras 9,9 veces cada diezEste es un hack contraseña pero borra la BIOS que la próxima vez inicie el PC, el CMOS no pide ninguna contraseña. Ahora si
Cómo Bypass BIOS contraseñas

Cómo Bypass BIOS contraseñas

contraseñas de BIOS pueden añadir una capa extra de seguridad para equipos de escritorio y portátiles. Se utilizan para evitar ya sea que un usuario cambiar la configuración del BIOS o para evitar que la PC arranque sin una contraseña. Desafortunadam
Cool avatares de Cartoon Maker

Cool avatares de Cartoon Maker

Utilizando un avatar de caricatura como foto de perfil en redes sociales como Facebook y Twitter es divertido e interesante manera de mantenerse entre amigos. Pero ¿cómo hacer una caricatura de ti mismo? Supongo que tiene difícil que el proceso es di