Paso 9: Cableado Arduino



Imagen 1:
Literalmente tomaron el programa de ejemplo de Arduino y cambiar la cantidad de tiempo que debía para parpadear el LED y que perno de la señal vino de. Cambiar el pin fue importante, ya que tenía que hacer descanso lejos juntas para sostener el cableado.
Imagen 2:
Recomiendo que no se trata de lo que hice y que viene para arriba con algo que funciona para ellos. Por esta razón no voy a describir en detalle qué es lo que hice. Principalmente porque no quiero construir otro tablero lejos de descanso para tomar fotografías para la construcción como era realmente tedioso.
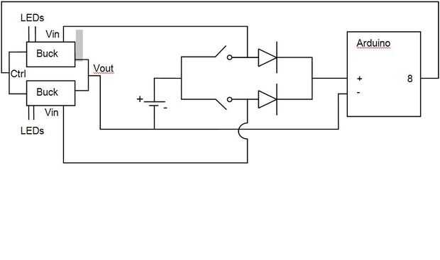
Lo que hice fue utilizar la señal TTL de Arduino para desencadenar el Buck Puck para encender y apagar. Luego lo alambré tal que el interruptor SPDT sería alimentar el Arduino y las luces de LED para indicación de izquierda/derecha. Los dos rompen tablas están conectados con el Arduino con cabeceras y se pegan en las cabeceras suministradas en el Arduino.
Utiliza los conectores rectangulares fue bastante dinamita cuando aún era prototipos el cableado. Sin embargo, son propensos a salir de sus conexiones. Recomiendo soldar los cables a las juntas si se puede. Voy a tratar de un vivo con él un poco y ver si funciona o no. Si no, actualizaré esta compilación.
Imagen 3:
Si se construye esto, quiero señalar que he intentado varios Arduinos antes de instalarse en el que estoy usando. He probado usando (y con éxito ambos fritos) un sello de Arduino y LilyPad. No soy un ingeniero eléctrico y sólo tienen conocimientos de electrónica básica pero estoy bastante seguro de que la razón por qué ninguno de los Arduinos frito trabajó fue debido a su regulación. Recuerda, yo soy de bombeo un 14.4V nominal en el sistema con las pilas que estoy usando.
Acojo con sugerencias sobre la manera de hacerlo mejor, más compacta. Sería espectacular si había una manera más fácil de hacerlo así. Tengo la esperanza que la comunidad suministrará más información sobre este paso y que un indicador de luz de bicicleta 2.0 vendrá por ella.