Paso 1: materiales















Hay varias cosas más grandes que usted necesita para este proyecto y algunas pequeñas cosas.
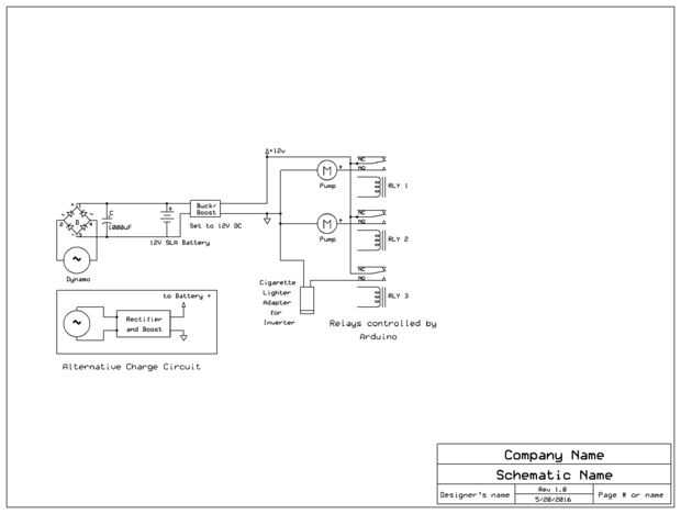
Arduino Starter Kit (con pantalla LCD, cables de puente. potenciómetro, etc.)
puente rectificador
Universal AC/DC ajustable módulo de potencia / regulador (step up) Booster LM2577 (puede también reemplazar el rectificador con esto si usted decide colocar el refuerzo hay) amor mi vida
25-50V condensador, 1000uF (mínimo) (no es necesario si una potencia superior se usa un módulo)
6V Dinamo de bicicleta (12V funciona también, pero regulador se recomienda entonces)
pinzas (para el prototipo de prueba, reemplace con cables de calibre adecuado para el cableado final)
Lámpara UV-C, 5-7 watts, con Balastro (¡ importante!) usted puede conseguir uno para un acuario que viene en un tubo y se puede desenroscar
Inversor de corriente de coche con entrada de plug de encendedor de cigarrillos, convierte 12V DC a 120V o 220V CA (dependiendo de tu luz/que tu país o comprar la luz) de tienda eBay o auto
Toma del adaptador de mechero con hilos de cola de cerdo, de tienda de artículos de eBay o auto
Relé (canal 2, 4 u 8) para Arduino (eBay u otras fuentes)
2 x 2.1 x 5.5 mm DC macho conector de enchufe con bornes de tornillo (una interfaz con el Arduino uno es opcional) http://www.amazon.com/2-1mm-5-5mm-Male-Power-Adapter/dp/B002QWNZHU/ref=sr_1_2?s=electronics&ie=UTF8&qid=1463706955&sr=1-2&keywords=2.1+x+5.5mm+DC+Power+Male+Connector+Plug
CD4049 inversor hex http://www.digikey.com/product-detail/en/texas-instruments/CD4049UBE/296-2055-5-ND/67301
pelota/alza circuito regulador (posiblemente)
3 x 10kΩ resistencias de 1% o 5%, seleccionado para el partido de cierre en resistencia y precisión
resistencia 1 x 1MΩ 5% o 10% (añadir más sensores de nivel de agua adicional, hasta 6 total)
2 mini breadboards
bicicleta con 2 cestas (y rack de carga trasera)
1 botella con tapa puede perforar (utiliza un 1 L Nalgene aquí y una tapa de repuesto)
adicional 24 calibre cable (0.51 mm de diámetro), mismo grosor que el cable de Arduino
calibre 20 (0.81 mm de diámetro) cables para conexión de alimentación de batería para el regulador buck/boost
abrazaderas de plástico
cartulina gruesa
una cubierta oscura, forrado de aluminio está muy bien, sobre la botella de luz y 1L
opcional para la instalación de la bomba:
Bomba de agua (bomba arandela del parabrisas del coche con 1/4" o 6 mm de diámetro entradas/salidas)
1/4" o 6 mm tubo de PVC de identificación (u otro que se ajuste a la bomba)
conectores de manguera de 6 m m O.D., recta, ángulo, T y Y (tipo y número dependiendo de la flexibilidad necesaria para el tendido de tubería. ver imagen por ejemplo)
un jarro que usted puede cortar y perforar agujero de cerca de fondo (es decir, 1 gal. jarra de leche)
Filtro. Se utilizó un filtro Aquamira Frontier verde línea filtro (ver imagen)
F2-conectores para adaptarse a la bomba los cables si no viene ya con los