Paso 4: Haga su propio cargador de MPPT de impulso



¿Qué hará usted? Bueno, hacer uno usted mismo usando Arduino por supuesto!!!!
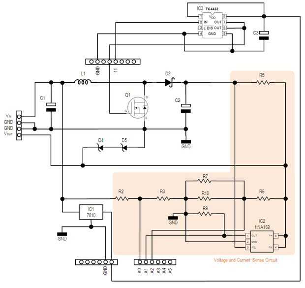
Usted puede encontrar el esquema en la foto adjunta. También se incluyen los datos de componente de su referencia.
No sabe cómo utilizar a EAGLE Cad vuelta luego (todavía no), usé pistas Microsoft Word dibujado y usar 'Press N Peel PCB película'. Ya hay instructables para hacer esto, así que no voy a repetir. Por lo tanto, usted puede ver mi PCB terminado no que bonita: (.
Usted puede encontrar el software aquí:
https://Drive.Google.com/file/d/0B_hfpbysZDTNMmZCU...
Más detalles aquí:
http://epxhilon.blogspot.com.au/2014/06/bmppt-sola...
Todo en el software son usuario-configurables. Por lo tanto, si su tensión máxima de la batería y carga máxima actual es diferente a la mía, bien, simplemente cambiar el software. Flexible ¿no?