Beam Symet

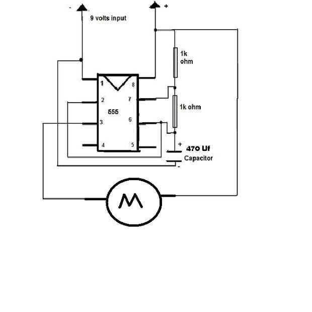
Este rayo Symet fue construido a diferencia de la mayoría, este rayo Symet no es solar powered. El circuito utilizado es una versión modificada del "Circuito intermitente Led" por steven123654. Los cerebros de la Symet es un chip 555 temporizador utilizado para hacer el motor de la vuelta una vez por segundo.

Califique y comenten!!

Etiquetas: Robot, Viga, Robot Beam

Artículos Relacionados

Cómo construir un robot BEAM

Cómo construir un robot BEAM

un symet es un robot BEAM que almacena electricidad de una célula solar hasta que tenga suficiente energía para hacer la contracción motor. En este instructable le mostraré cómo crear tu propio symet viga! Si quieres ver videos y leer más sobre ella
3D impreso estante de exhibición del i-beam

3D impreso estante de exhibición del i-beam

En el nuevo makerspace en mi escuela, nos gusta tener algunos modelos de muestra poniendo alrededor de personas a mirar cuando parada de una gira en. Durante mucho tiempo, una gran parte de nuestra mesa de trabajo principal era un lío de prácticament
Instalar un cableado de abrepuertas de garaje para motos Hi-Beam

Instalar un cableado de abrepuertas de garaje para motos Hi-Beam

estaba cansado de tener que conseguir en y fuera de mi bicicleta para abrir y cerrar la puerta cada vez que salió.  Mientras que mi esposa y yo estábamos fuera de la ciudad encontramos un proyecto en un distribuidor que le ha permitido operar la puer
Solar Powered batalla Symet - estilo viga

Solar Powered batalla Symet - estilo viga

Rayo Solar Symets (una contracción de "Robots simétrico") primero fueron construidos por Mark Tilden como una manera de dar vida de planta móvil a las otras criaturas en su Robot Jurassic Park hace muchos años. Siendo muy simple usando sólo un c
El rastreador de la alfombra - un Robot BEAM.

El rastreador de la alfombra - un Robot BEAM.

La alfombra es un pequeño robot que se Baraje su manera a través de su piso.  Mira el vídeo y verás cómo consiguió su nombre (que ya soy un viejo fan de rock prog en el corazón!).Haz biología, electrónica, estética, mecánica y es una escuela de diseñ
Robot beam robot solar

Robot beam robot solar

esto es un solar que solarengine.it basado en un coche.
Hierro hombre inspirado Repulsor Beam Blaster V1.0

Hierro hombre inspirado Repulsor Beam Blaster V1.0

Homebrew repulsor arenador de la viga que ha diseñado para producir muy intenso estallido de luz que puede utilizarse para rechazar sus creencias, novia, esposa y mascota gato: PCasualmente hace unos días (13 de julio) es el "Día de Geekness su abraz
Laser Beam Super héroe Guantlets

Laser Beam Super héroe Guantlets

No Super Hero traje está completa sin un láser oculto!  Voy a mostrar cómo crear un guantelete de muñeca y coloque su arma secreta para el efecto máximo.Paso 1: Medir y cortar a desea tomar algunas medidas.  Usted necesitará la circunferencia de la m
Laser Beam sistema de alarma con batería recargable para Laser

Laser Beam sistema de alarma con batería recargable para Laser

Hola todo el mundo... Soy Revhead, y este es mi primer instructable así que por favor no dude en darme asesorar y señalar áreas en que mejorar.La inspiración para este proyecto vino de Kipkay que publicó una versión similar (proteger su casa con rayo
Robot BEAM de micro 555

Robot BEAM de micro 555

B.E.A.M el concepto de robot fue acuñado por Mark Tilden que me inspiró para construir este robot.Este robot está basado en un diseño de circuito creado por Manfred Schaffran.He simplemente encogi lo abajo tan pequeño como pueda para crear este peque
Intel Edison I.R. Break Beam Sensor

Intel Edison I.R. Break Beam Sensor

Intel Edison Arduino I.R. rotura Haz SensorPaso 1: partes Intel Edison Arduino https://www.adafruit.com/products/2180I.R. sensor https://www.adafruit.com/products/157Diodo emisor I.R. https://www.adafruit.com/products/387Utilicé el sensor I.R. de la
Llavero de i

Llavero de i

El mejor diseño a menudo es el más simple - y que no viene mucho más simple que este llavero del i-beamUsted encontrará difícil de perder tus llaves otra vez!Aquí está cómo lo hice...Oh, y también hay un video aquíPaso 1: i-beamLa viga es una viga de
Calzoncillos de bolsillo de cremallera damas

Calzoncillos de bolsillo de cremallera damas

¿Por qué son tan terriblemente pobre por tener bolsillos útiles en ellos la ropa de mujer?? Estaba totalmente en una bolsa de transporte o con una chaqueta porque necesitaba poner mi teléfono en efectivo y las llaves en algún sitio. Así que he arregl
Cómo construir tu todo realmente muy rápido

Cómo construir tu todo realmente muy rápido

hace unos años escribí un breve documento sobre los métodos para fabricar rápidamente elementos de sistemas mecánicos titulado Cómo construir su Robot realmente muy rápido. Se atiende a estudiantes del MIT 2.007 introducción diseño y fabricación de c