Paso 12: Escala de circuitos: MC3008 ADC convertidor





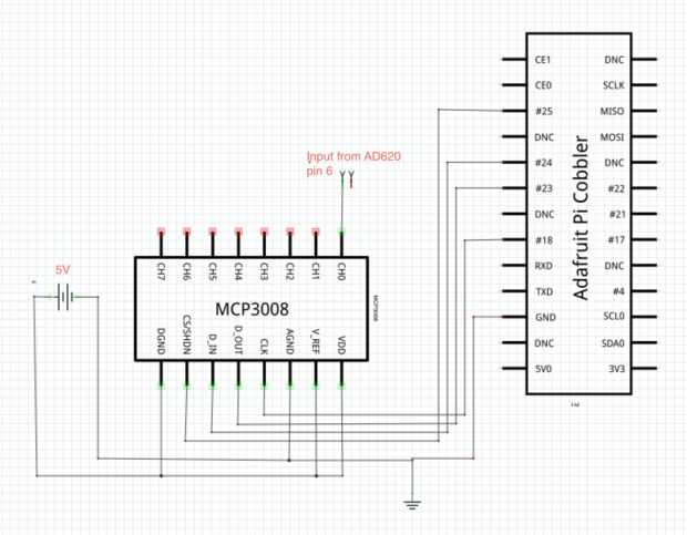
El Raspberry Pi solo no puede leer entradas analógicas como un Arduino u otros microcontroladores. Un convertidor de analógico a digital (ADC) es necesario para la Pi a leer la señal de salida del AD620. Un chip de MCP3008 ADC actúa como un puente entre la salida del amplificador analógico y la entrada digital de Pi. El MCP3008 está conectado a los pines de macho a macho encabezado dos 1 x 13 que se sueldan en la placa. Actúan como un improvisado Zapatero Pi de frambuesa. Las patillas de la cabecera están conectadas con un cable de cinta que el Raspberry Pi. Mire el diagrama del circuito incluido para cómo conectar el MCP3008 a la Pi.
Es fácil misconnect las patillas de encabezado a la Pi. Un extremo del cable de cinta tiene una raya blanca o roja. Conecte el cable para que la franja quede más cercana a la tarjeta SD en el Pi. Conexión del cable a los pines de cabecera en su tablero del circuito puede variar dependiendo de su cableado.
También decidió poner un pequeño trozo de papel debajo del circuito para evitar cualquier cortos.