Paso 2: Construcción de su sistema



























Después de que han dividido el cañón en una pecera inferior (2/3 del barril) y una cama superior crece (el restante 1/3), limpieza de la marca de corte con papel de lija y lavar el barril. Luego tomar la cama crece, tirón para que la parte inferior de la cama quede mirando hacia arriba y marque los orificios para el sifón de bell y la manguera de entrada. Ambos tubos/mangueras deben caber cómodamente así que utilice las piezas reales para una plantilla. Utilice un poco para marcar los agujeros en la cama crece y cortarlas con cuidado hacia fuera cuando estés listo. Utilizado una Dremel para este paso, pero use lo que funcione para usted.
Ahora preparamos el pescado tanque haciendo dos agujeros en el lado. Un agujero a los peces en la parte delantera y otro en la parte posterior para el cable de alimentación de las bombas de agua. Primero Localice la marca de 30 galones. En mi barril hay una línea que marca esto para usted. Si no tienes una marca como esta medida sólo 16 3/4" desde el fondo de la pecera, este es su marca. Marque un orificio para cortar para facilitar el acceso a los peces. Hacer cualquier diseño que quiera, pero asegúrese de que deja espacio suficiente para la superficie del agua y la parte inferior de la cama de crecimiento. En la parte posterior de la pecera, hacer un pequeño hueco para que el cable pueda pasar a través.
Ahora a traer todos juntos, hace ocho conjuntos de pequeños agujeros para atar la cama crece a la pecera. El taladro 8 agujeros en la parte superior de la pecera (espaciada) y 8 agujeros en el labio inferior de la cama de crecimiento coincidentes. Pasar ocho lazos zip por cada juego de orificios para garantizar un ajuste seguro.
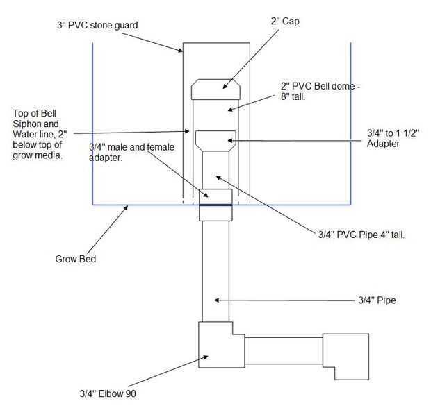
Una vez que el barril se coloca juntos puedes poner juntas todas las tuberías necesarias. Tornillo de la parte superior y parte inferior de la campana sifón juntos asegurándose de que encaje bien a través del orificio del sifón en la cama de crecimiento. Asegúrese de que está apretado y que no quedan huecos. Usted necesitará un #18 empaque para crear un sello apretado del agua; Utilicé dos (una a cada lado de la cama de crecimiento). Ahora toma los adaptadores macho y hembra 1/2" y hacer lo mismo para el orificio de entrada (uso #14 anillos aquí). Coloque la bomba de agua en el fondo de la pecera y conéctelo a la parte inferior del adaptador 1/2" con un pedazo de tubo PVC de 1/2". Puede que necesite jugar con la conexión de la bomba y la tubería. Mi bomba tiene un orificio de tamaño métrico, así que tuve a un adaptador de manguera de vinilo y una rápida Conecte al adaptador de rosca. Haz lo que puedas para que funcione.
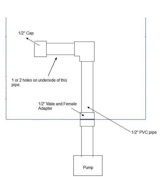
Terminar la línea de bomba encajando 9-10" de 1/2" tubo de PVC en la parte superior del adaptador de entrada en la cama de crecimiento. Luego conecte esto a una tubería horizontal de 1/2" o tubería con un codo de 90°, conector en T o T-fitting (esto puede ser tan largo o corto como quieras). Había ramificado mi pipa en dos. Tapar las aberturas aquí. Necesitará taladrar un pequeño orificio o los orificios de este horizontal pipas para agua. Comience con uno o dos orificios y Compruebe la velocidad de flujo; ajuste por agujeros más según sea necesario.
Pruebe su sistema en su conjunto, prestando especial atención a la velocidad de flujo, tasa de drenaje y pérdidas; ajustar donde sea necesario. Si tienes alguna fuga en los agujeros del tapón puede utilizar 100% de silicona para sellarla. Si está satisfecho con todo lo que se llenan la cama crece crece media (ej guisante grava o arcilla guijarros) hasta la parte inferior de los tubos de la bomba horizontal. Esto es necesario antes de ciclo de su sistema.
Si usted planea utilizar su nuevo sistema de acuaponia en interiores te recomiendo pintar el exterior del cañón para hacerlo más atractivo en su hogar.
* Como nota al margen, es perfectamente bien utilizar silicón 100% en silicona de acuario (son esencialmente el mismo). "Puertas y ventanas de GE 100% silicón del" lo he usado con grandes resultados.