Barato 16F84 mensaje POV - AirText (1 / 3 paso)

Paso 1: circuito

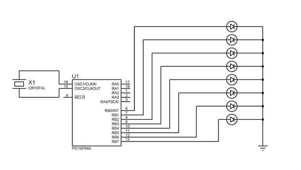
Components:

Pequeño trozo de veroboard

16F84A

8 LEDs de cualquier color que usted prefiera

Cristal de 8 Mhz

Conector de la batería de 9V

Batería de 9V

Cables pequeños

Herramientas:

Soldadura de hierro

Artículos Relacionados

Telégrafo DIY

Telégrafo DIY

código Morse es uno de los más conocidos códigos en el mundo. Aquí es cómo hacer un telégrafo barato enviar mensajes en código. Lo hice para un proyecto de Ciencias. Tengo un bajo marca hacer que califican como una "máquina simple". Espero que v
Vivir la innovación haciendo (bricolaje electrónico)

Vivir la innovación haciendo (bricolaje electrónico)

simplemente su significado mostrar cómo puede hacer el una innovación por sí mismo con material disponible y coste baratoEl mensaje de innovación no sólo de Marketing y ventas pero también significa cómo podemos introducir la alta tecnología TEC. y n
Magic Wand POV mensaje pantalla con módulo Bluetooth

Magic Wand POV mensaje pantalla con módulo Bluetooth

A persistencia de la visión (POV) es un pequeño palo como instrumento que puede mostrar mensajes (palabras completas) usando sólo 5 LEDS (en este caso) que parpadea según la persistencia de la visión. Aquí brindamos la facilidad de mostrar el texto d
Segmento 7 pov 16F84

Segmento 7 pov 16F84

Este es un post sobre la pantalla POV (persistencia de la visión) que utiliza un 7 segmentos display.En Resumen, hice este pequeño proyecto como una prueba de concepto de algo que siempre he notado en muchos dispositivos electrónicos utilizan ésos pa
PANTALLA de mensajes de POV

PANTALLA de mensajes de POV

1 ATTINY 2313VERDE 3MM 8 LEDSVENTILADOR DE REFRIGERACIÓN 1 12 VOLTIOSPEDAZO DE JUNTA DE VERORESISTENCIA DE ALGUNOSCABLES DEBATERÍA DE 4 VOLTIOSINTERRUPTORES de
'Un Chip Spinning RGB POV de visualización' con software de conversión.

'Un Chip Spinning RGB POV de visualización' con software de conversión.

Si usted ha sido en la búsqueda de un proyecto que combina, RGB LED, un motor, un microcontrolador y una cantidad ridícula de fusión en caliente el pegamento, entonces sin duda usted ha venido al lugar correcto.Permítame presentarle la pantalla de la
Notificador de correo SMS baratos

Notificador de correo SMS baratos

Si usted compra en línea, entonces usted a menudo encontrará esperando una entrega. Esto requiere verificar frecuentemente el buzón que está bien si usted tiene su buzón de correo a la vista. Pero si vivo en un piso alto de un edificio de apartamento
Compacto, barato y extensible sistema de hidroponía

Compacto, barato y extensible sistema de hidroponía

hay un montón de instructables que hay otros que se ocupan de hidroponía pero quería mina para cumplir con un determinado conjunto de especificaciones. Cuando me senté a diseñar mi nuevo sistema de hidroponía para mi apartamento tenía unos objetivos
Mensaje de luz de la vela

Mensaje de luz de la vela

JIC Un par de compañeros y yo hemos hecho algunas luces de color de la vela con un soporte de mensaje para un proyecto escolar.Ver video:Aquí es cómo hizo la luz de las velas.Paso 1: Botellas de vidrioFui y compré algunas botellas que voy a utilizar
Consigue los vuelos más baratos a cualquier parte!!

Consigue los vuelos más baratos a cualquier parte!!

Una vez más, Lil Smokie aquí! Esta vez vengo a decirle un secreto enorme. Tengo boletos de San Francisco CA a Lima, Perú ida y vuelta por sólo $450. Hay muchas webs de vuelos baratos que hay. Pero si te fijas sólo para comprar el día tienes dinero pa
Solar aire caliente globo mensaje-en-una-botella

Solar aire caliente globo mensaje-en-una-botella

esto es un globo de aire caliente de bolsas de basura y calentado por el sol. Una vez que el aire, deben permanecer para arriba hasta el sol va hacia abajo o detrás de las nubes. No hace falta decirlo, puede recorrer un camino largo, largo. Que se le
Digital de mensajes en una botella

Digital de mensajes en una botella

La comunicación es una característica humana fundamental. Comunicarse cara a cara, a través de la palabra escrita, fotos, por teléfono y gestos de la mano. Incluso con todas estas formas de comunicar un método de comunicación que siempre me ha descon
HumidorPi: Un elegante Humidor barato con frambuesa Pi y nodo-rojo

HumidorPi: Un elegante Humidor barato con frambuesa Pi y nodo-rojo

Se trata de cómo modifiqué un estándar 100 humidor del cigarro para proporcionar humedad constante y temperatura a través de WiFi.Características:Costo total unos 125$ incluyendo 55$ para el humidor no modificado. Podría hacerlo más barato.Interfaz W
Brazo robótico simple, barato y multiplataforma - Powered by Viper

Brazo robótico simple, barato y multiplataforma - Powered by Viper

Crea con Viper, un brazo robótico simple con un Consejo de núcleo, dos servomotores y un indicador de láser baratos. Puede mover el brazo por las coordenadas que expresan los grados de la escritura. Para la comunicación a la Junta de núcleo, puede ut