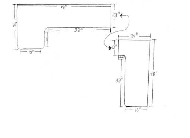
Bajo costo de la computadora escritorio (3 / 8 paso)

Paso 3: Corte/enrutamiento

Para cortar la forma áspera utilicé una sierra de calar. Me podría ayudar a usar una sierra circular para cortar los lados rectas largas o usar que una guía para la plantilla vio porque tenía un tiempo difícil mantener perfectamente recto en los lados. Una vez que corte usar una lijadora para corregir errores durante el corte. Finalmente, para acabar con la tabla de ruta de los bordes que no sean exteriores o cualquier que no planea tener contra la pared.

Artículos Relacionados

Bajo costo Hobby Servo XY mesa

Bajo costo Hobby Servo XY mesa

para este proyecto, hemos querido construir una más bajo costo, menor precisión XY la tabla para una instalación en TeleToyland. El objetivo es permitir a los usuarios de la web dibujar formas en una caja de arena, así que queríamos una mesa XY simpl
Bajo costo Neuroprosthetic Modular

Bajo costo Neuroprosthetic Modular

Mi nombre es JD y soy estudiante de segundo año en la escuela secundaria. Han estado trabajando en este proyecto desde hace algún tiempo y todavía activamente estoy mejorando, pero quería empezar a documentar mi trabajo en línea para que otros pueden
LCS - 1M - completo, de bajo costo Hobby osciloscopio

LCS - 1M - completo, de bajo costo Hobby osciloscopio

este instructable le mostrará cómo desarrollé una sencilla pero osciloscopio de muestreo digital completa que espero le permitirá obtener un comienzo exitoso en este campo. Los objetivos principales en este desarrollo fueron:Crear algo que es realmen
Cómo construir un Reactor Arc de Iron-Man de Industrias Stark... Muy muy bajo costo...

Cómo construir un Reactor Arc de Iron-Man de Industrias Stark... Muy muy bajo costo...

Cómo construir un Reactor Arc de Iron-Man de Industrias Stark... Reactor de arco muy muy bajo costo quela mayoría puede hacer muy fácil.Ahora tengo un cortador del vinilo y tengo el uso de un router cnc de compañeros pero esto es todo sobre una estru
Construir y volar un Paramotor - segura y a bajo costo

Construir y volar un Paramotor - segura y a bajo costo

vivir el sueño:Desde que era un niño pequeño, yo soñaba con volar. Mi primer intento en la edad 8, se asemejó a una cometa de gran tamaño hecha de ramas de los árboles y plástico negro. Ni que decir era una tentativa fracasada en vuelo, y afortunadam
Blade - Super bajo costo Micro potencia aerogenerador del viento

Blade - Super bajo costo Micro potencia aerogenerador del viento

Después de tropezar en el generador de banda de Chia-Ying Lee estaba muy impresionado con la simplicidad y el uso al crear energía a pequeña escala en aplicaciones residenciales nivel bajo. Había rastreado internet buscando a alguien, quien había tom
Unidad de texto a voz de Nunchuck. Muy bajo costo TVout/Arduino basado

Unidad de texto a voz de Nunchuck. Muy bajo costo TVout/Arduino basado

propósito:Más bajo costo posible texto a voz la unidad para las personas con discapacidad, posiblemente en los países en desarrollo. Independiente (es decir, no basado en PC)Dispositivo de entrada:Nunchuck Wii sin modificar.En este ejemplo estoy usan
Bicicletas luces direccionales - Simple, bajo costo, como el Solar

Bicicletas luces direccionales - Simple, bajo costo, como el Solar

Yo uso mi bicicleta para conmutar para trabajar, y conforme avanza la temporada de otoño me encuentro casa de montar a caballo en la oscuridad. Mientras que mi moto está equipada con luces (y yo con un chaleco reflectante) no estoy particularmente pr
Manera de bajo costo para reemplazar un coche que se ajuste.

Manera de bajo costo para reemplazar un coche que se ajuste.

Hace años perdí los adornos interiores de mi coche. Ahora he decidido hacer una cubierta para ocultar el cableado que he puesto que habría ocultado los adornos antiguos.Sigue leyendo para mi solución diy de muy bajo costo.Paso 1: Tela y pegamento. Pe
Clip de bajo costo prueba de IC para PIC ICSP

Clip de bajo costo prueba de IC para PIC ICSP

Hice el Clip de prueba de IC de bajo costo para microcontroladores ICSP de PIC.http://neo-Sahara.com/wp/ic_test_clipPaso 1: Utilice cinta de cobre y clavija del paño.Paso 2: Poner la cinta de cobre en la clavija del paño y corte las cintas como echad
Manejable Segway clon - bajo costo y fácil construcción

Manejable Segway clon - bajo costo y fácil construcción

Este Instructable le mostrará cómo construir un clon de Segway capaz de paseo. Aquí están sus características:Fácil montaje sin soldaduras, no complicada dirección acoplamiento y soldadura mínima.Utiliza un fácilmente disponible $3 digital Junta IMU
Construir un motor Stirling de bajo costo para la generación de energía

Construir un motor Stirling de bajo costo para la generación de energía

Antes voy a empezar mi Instructables quiere hacer hincapié en que este no es un proyecto acabado y sigue en marcha a partir del momento estoy creando este Instructables. Ya pasé más de 3 meses haciendo esto aunque estoy cerca de realización todavía n
Tapa de la válvula refrigerante diy bajo costo.

Tapa de la válvula refrigerante diy bajo costo.

Aquí una forma robusta y de bajo costo para hacer una tapa hermética para cualquier refrigerante válvula. No tengo una gorra esconde así por supuesto que hice mi propio. Todo lo que necesitas es una tuerca abocardada de tamaño apropiado.Paso 1: Las h
Elegante y bajo costo 55 galones tambor jardineras

Elegante y bajo costo 55 galones tambor jardineras

quería construir algunos contenedores simple, bajo costos y atractivo para unos frutales que estaban listos para ser replantados en el patio de mi casa.  Segunda mano con 55 galones barriles de plástico seguro alimentos y algunos restos de madera que