Automatizado de invernadero (5 / 6 paso)

Paso 5: cableado

Artículos Relacionados

Célula de Sensei - construcción de un invernadero automatizado Edison Intel y Arduino

Célula de Sensei - construcción de un invernadero automatizado Edison Intel y Arduino

Célula de Sensei es un prototipo de un invernadero automatizado.Una cámara aislada de una pantalla cilíndrica ha sido transformada en un invernadero con dos ambientes separados.Cada estante tiene cuatro sensores (humedad del suelo, temperatura del su
Automatizado de bajos vatios LED Mini invernadero

Automatizado de bajos vatios LED Mini invernadero

en este instructable usted aprenderá cómo construir un mini invernadero, con tiempo crecer luces.Paso 1: Lista de materiales No quieren o necesitan tanto aislamiento como usé. Su muy frío donde vivo. No es una cosa de belleza y fue construido termina
Efecto invernadero Plantduino

Efecto invernadero Plantduino

ACTUALIZACIÓN 09/07/11: alimentación del relé de alimentación se ha sustituido por una batería de CC alimentado sistema de relé como se muestra en el paso 10.Actualización: hemos sido seleccionados como finalistas en el concurso de microcontrolador!
Control de Arduino invernadero - humedad y temperatura

Control de Arduino invernadero - humedad y temperatura

Este proyecto regula la humedad y la temperatura de cualquier efecto invernadero mediante el uso de calentadores y ventiladores. Tutoriales adicionales se añadirán con el tiempo de riego automatizado e iluminación, entre otras cosas.Todo se hace a tr
INVERNADERO controlado GSM para zonas rurales de África

INVERNADERO controlado GSM para zonas rurales de África

DISEÑO Y FABRICACIÓN DE UNA GSM CONTROLAN SISTEMA DE INVERNADEROINTRODUCCIÓNLa tecnología ha redefinido la comunicación y más aún en muchos aspectos ventajosos. La tecnología móvil ha llevado a acuñar el término "aldea global" que puede verse po
Auto regulación de invernadero con un kit solar Ready Set.

Auto regulación de invernadero con un kit solar Ready Set.

Una gran parte de la población de mundos aún gasta más de la mitad de sus ingresos en alimentos. Cultivar tus propios alimentos significa que usted puede utilizar una mayor proporción de sus ingresos para educación, salud y otras cosas.Sin embargo cu
Somabot - un camarero automatizado (Intel IOT)

Somabot - un camarero automatizado (Intel IOT)

Somabot es un barman automatizado. Simplemente seleccione los ingredientes y las bebidas se pueden acceder desde cualquier navegador móvil o escritorio listo para hacer cócteles. He adjuntado un chip NFC en la parte superior izquierda, por lo que la
Invernadero hidropónico sistema de monitoreo y Control

Invernadero hidropónico sistema de monitoreo y Control

En este instructable, mostraré cómo construir un invernadero hidropónico de monitoreo y sistema de control. Se muestran los componentes eligió, un esquema de cómo se construyó el circuito y el sketch de Arduino utilizado para programar el Seeeduino M
Automatizado Wheelo--Santa Claus tienda 2016

Automatizado Wheelo--Santa Claus tienda 2016

¿Nunca llegaste cansado de operar su Wheelo a mano? Sé que hice, así que tengo automatizado el proceso utilizando un servo motor para subir y bajar la rueda, un transductor ultrasónico ping para detectar la ubicación y un Arduino para manejar la retr
Mini invernadero con cartón de huevo de plástico

Mini invernadero con cartón de huevo de plástico

cómo hacer capaz de tallo mini invernaderos de cartones de huevo de plástico. Ideal para ventanasLas imágenes lo explica bastante bien, pero en caso de que alguien quiere las instrucciones, aquí están:1 - comer todos los huevos2 - separar el pedazo d
Coche invernadero - cultivo de alimentos, que se extiende la temporada y teniendo éxito con productos tropicales

Coche invernadero - cultivo de alimentos, que se extiende la temporada y teniendo éxito con productos tropicales

Como la mayoría de las personas que viven en viejas casas vernáculas o en un pequeño apartamento, estamos muy limitados en el espacio de la ventana. Nuestra casa fue construida 300 años atrás, cuando cristal no era una opción, así que cada habitación
Elementos de máquina "Automatizado" bola de k'nex

Elementos de máquina "Automatizado" bola de k'nex

Los elementos está a punto de ver provienen de nuestra máquina de la bola "Automatizado". Espero que encuentres este instructable útil. Voy a dar consejos y sugerencias sobre cómo debe hacerlo.Paso 1: elemento Este elemento que recibí de alguien
Mesa con invernadero de inserción

Mesa con invernadero de inserción

un amigo me dio un poco Fro mini invernadero de IKEA un tiempo atrás. ¿Estaba poco inspirado con lo que hacer con él hasta que lo pongo junto con la nueva tabla de lado que quería hacer, y entonces pensé: sería genial tener este detalle de efecto inv
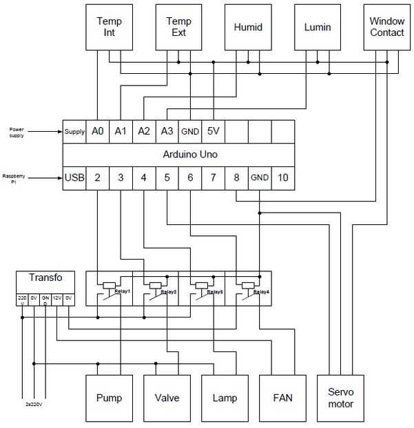
Arduino para invernadero, jardín o Growbox / actualizado Abril de 2016

Arduino para invernadero, jardín o Growbox / actualizado Abril de 2016

He estado usando chips Attiny para tareas de riego en mi jardín, pero tiene planes para construir un invernadero, un Arduino parece ser el camino a seguir ya que tiene más puertos. Sé que hay muchos 'Garduino' tipo proyectos ya, los que el estado de