Paso 8: relés


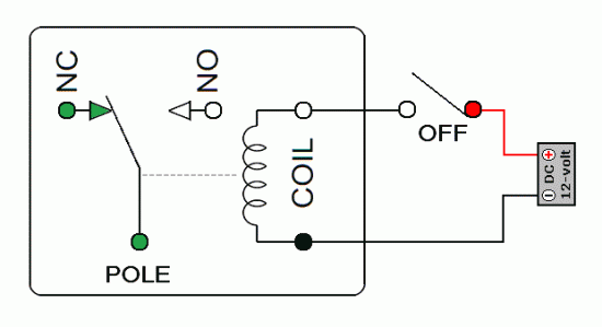
Un relé es básicamente un interruptor mecánico eléctricamente controlado. Dentro de esa caja plástica aspecto inofensiva es un electroimán que, cuando consigue una sacudida de energía, causa un interruptor para el viaje. El microcontrolador proporciona 5V señal al relé que es convertida a una señal de 12V por el circuito del conductor que consiste de un transistor y un diodo.