Paso 2: circuito

El circuito es relativamente sencillo. Si has visto otros matriz de LED tipo circuito, esto se debe ver familier.
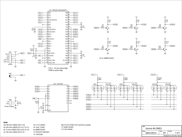
En Resumen, los 48 LEDs RGB se dividen en dos grupos, conectados de manera múltiple 6:1, tomando R, G y B como líneas de autobús y el pin común de cada LED como las líneas de la columna. Hay dos pares de buses R/G/B. Puesto que sólo hay 3 salidas PWM en el controlador utilizado, usé un decodificador binario IC para multiplexar la señal PWM, para 6 líneas de autobús. 3 pines se utilizan para seleccionar uno de los 6 autobuses y 24 pines se utilizan para controlar los pernos comunes de LEDs.
El controlador activa un autobús en un momento, un pulso al LED que debería activarse las salidas. La duración real que se enciende un LED especial es controlada por el pulso PWM que va dentro del decodificador binario, 74HC238. El controlador envía pulsos PWM corta como 62,5 ns a hasta 12.500 ns para controlar el brillo.













