Paso 1: Junta circuito del experimentador


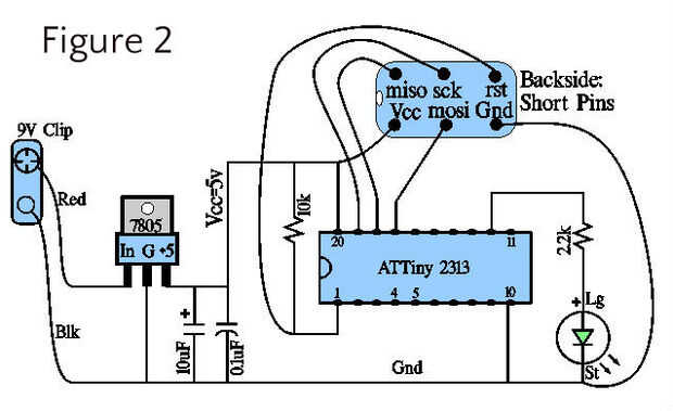
Figura 2: Esquema de la plataforma. El positivo del LED es generalmente lleva el más largo de los dos – los diagramas de las marcas del cable más largo con Lg y el más corto con San la vista muestra la parte superior de la MCU. Figura 3: El pinout 2313A [1] para la versión de inmersión de la ATTiny2313A.
Es el momento de construir el circuito en protoboard de un experimentador como se describe en el inicio 1 [0.A] (véase la lista de piezas). Comenzar proyectos de inicio debe tener la más baja posible partes cuenta con la codificación más simple posible. Por esta razón, la plataforma de arranque y Lifeline no hacen uso de un oscilador de cristal y condensadores asociados, aunque se muestran las conexiones. La cuerda acabada utiliza un regulador de 5V el prototipo a bordo del experimentador incluirlo. Tenga en cuenta que la tensión de alimentación puede afectar al rendimiento de la MCU como se indica en las especificaciones para el MCU [1]. La figura 1 muestra que el circuito construido en protoboard del experimentador (es decir, protoboard) mientras que la figura 2 muestra el esquema con la colocación de piezas similares en cuanto a la figura 1. Estas dos figuras muestran que una combinación LED-resistor se ha incluido en el circuito de protoboard: la siguiente inicio Instructables utilizar la combinación para indicar cuando el circuito funciona. El LED y su resistencia de polarización deben eliminarse una vez finalizado el proyecto Lifeline para ahorrar espacio y contar partes bajas en el gabinete final. PRECAUCIÓN: Compruebe que el cable positivo de la batería (rojo en la figura 1) se conecta al regulador de entrada y no el + 5V tren que atraviesa la parte superior del tablero del experimentador.
Construir el circuito que se muestra en las figuras 1 y 2 utilizando el tablero de un experimentador [10]. Algunas notas están en orden; sin embargo se puede encontrar más información en tutoriales en internet como en la referencia [6].
Pinout de inmersión ATTiny 2313A
En primer lugar, la figura 3 muestra cómo el etiquetado de los pasadores con los números 1 a 20 corre hacia la izquierda alrededor de la IC. Cada pin puede utilizarse para múltiples funciones dependiendo de la configuración de registros internos. Generalmente, Atmel grupos pasadores en puertos (8pins de AVR) como el puerto B para pernos de 12 a 19 (ver puesta en funcionamiento #3 para obtener más información). Nota cómo conectan los cables del programador a MOSI (pin 17), MISO (pin 18), SCK (Pin19) y Reset (Pin 1). Consulte Inicio #1 para construir el adaptador del cable del programador. Los cables del programador simplemente conéctela estos pernos MCU como se muestra en las figuras 1 y 2. Una vez programado el MCU, pueden eliminarse las conexiones del programador. Como se muestra en el paso 2, un cristal (y dos condensadores de 22pf) se pueden conectar a los pines Xtal1 y Xtal2 la etiqueta – el Xtal se refiere al cristal y 1,2 a los dos terminales en el cristal. El cristal puede ser insertado sin preocuparse de la polaridad. Finalmente, una batería (no más de 5V) puede conectarse a la MCU). El terminal negativo se conecte al pin 10 y el terminal positivo al pin 20.
Protoboard de experimentador
Tablero del experimentador proporciona un método rápido de componentes de conexión sin soldaduras. A menudo las líneas eléctricas largo horizontales (5V carril y carril de Grnd) en la parte superior e inferior de tableros del experimentador tienen una rotura en el rastro subyacente (por diseño). Como resultado, el constructor debe poner un puente de alambre a través de las roturas (Figura 1) para asegurar la continuidad en el riel superior de 5V y el riel inferior de tierra. Aviso que las brechas en los puentes son más grandes que los otros para proporcionar una señal visual. Puede utilizarse un medidor de ohmios para comprobar las lagunas. Estos trazos largos se utilizan generalmente para distribuir los + 5V y lógica la tierra a través del tablero. No necesitamos estos jumpers, ya que no utilizamos el lado derecho del tablero.
Regulador (LM7805)
El regulador tiene la finalidad de (i) reducción de la tensión de una entrada de 9v para una salida de 5v para el MCU y (ii) mantenimiento/regulación de la tensión de salida en 5v sin fluctuaciones importantes. En realidad, la tensión de entrada puede gama/varían desde unos 7 voltios hasta 18v o más (dependiendo el regulador utilizado) sin afectar a la tensión de salida. Sin radiadores/disipadores de calor, la corriente debe mantenerse por debajo de 100mA para evitar el sobrecalentamiento. Utilizamos el regulador LM7805 de variedad común (véase lista de piezas) pero ten en cuenta que estos no funcionan si su voltaje de entrada cae por debajo de 7V. Los reguladores de bajo de la gota hacia fuera (LDO) funcionarán incluso cuando el voltaje de entrada cae a dentro de unos pocos voltios de décimas arriba los + 5V de salida. El LDO es útil para exprimir hasta el último bit de la energía de una batería de 9V, pero también es menos probables que en su caja de piezas de repuesto y cuestan un poco más. Como nota, es posible comprar el tablero de un experimentador con 5V en él además de otras delicias.
Condensadores electrolíticos (es decir, Polar condensadores)
Los condensadores almacenan carga Q proporcional a la tensión V a través de ellos y su tamaño C según Q = CV. Aquí V es el voltaje medido entre los dos terminales del condensador. En un circuito, el condensador a menudo puede ayudar a regular la tensión al renunciar a algo de carga. Tal vez el proceso puede visualizarse similar a una cubeta de agua con agua y dentro de la bañera hay un cubo lleno de agua pero tener un agujero en el lado. Cuando el agua de la tina por debajo del nivel del orificio, el cubo suministrará agua a través del orificio para ayudar a volver a subir el nivel de agua de la bañera.
Los condensadores electrolíticos tienen + y – terminales así que asegúrese de que se colocan correctamente en el circuito. En general, los condensadores electrolíticos tienen capacitancia sobre 1uF. Condensadores de cerámica (y otros) no tienen polaridad y por lo general tienen capacitancia debajo de 1uF. Asegúrese de insertar correctamente el tipo electrolítico invertirlo generalmente destruirlo y apestan a la sala. El lado negativo a menudo se indica con un signo menos o una flecha que señala al conductor negativo. Revise la hoja de especificaciones del fabricante si no está seguro. La tensión de trabajo marcada en el condensador debe ser mayor que cualquier voltaje que se aplicará a través de él. Para 5V, es aceptable utilizar menos de 10V o superior. Mantener un buen stock de capacitores de 35wvdc y 50wvdc (y superiores) y siempre use estos.
A menudo los condensadores se agregan a los circuitos de DC para ayudar a filtrar las variaciones.
Condensadores de cerámica (no polar)
Los condensadores de cerámica pueden tener cualquier terminal conectado a la polaridad de la batería. El valor se mostrará en el lado o a veces un código se utilizará en su lugar [24]. Por ejemplo, un capacitor de 0.1 uF podría escrito como 0.1 o codificado como 104 y 0.01 uF podría codificarse como 103. Consulte [11].
El condensador de cerámica de 0.1 uF ayuda a filtrar el ruido de alta frecuencia a las líneas de suministro por el MCU. Generalmente el condensador debe colocarse lo más cerca posible de la MCU suministrar pernos (10, 20 para la ATTiny2313A). El condensador puede ser marcado como 104. Consulte el código de capacitancia [11].
Resistencias
Resistencias no tienen polaridad. Los valores de resistencia pueden determinarse usando un medidor de ohmios (es decir, multímetro) o leyendo el código de color resistor [12]. El esquema en la figura 2 muestra resistencias teniendo el valor 2,2 k y 10 k. La 'k' significa multiplicar el valor por 1000 lo que k 2.2 = 2200 y 10 k = 10000. Tenga en cuenta que a veces 'computerese' utiliza k significa 1024. No aquí – para resistencias, significa 1000. Del mismo modo 1M significa 1 millón. Por lo general, se debe especificar el la potencia de cálculo de la potencia utilizando ley de Ohm como P = VI = V * V/R donde V es el voltaje en la resistencia. Generalmente 1/4 Watt va a estar bien para obra MCU. Por supuesto si puede utilizar menor potencia, entonces la resistencia también será físicamente más pequeña.
LED
Los LEDs tienen polaridad. Si se invierten sesgada (es decir, atrás de terminales) no se iluminan y se pueden dañar. Demasiado alto de voltaje aplicado en adelante can bies humo ellos siempre uso una resistencia serie para el nivel actual hasta 20mA (consulte la hoja de especificaciones). El positivo se indica generalmente por el más largo de los dos cables. Es fácil comprobar operacionalmente que el plomo es positivo mediante la construcción de la combinación de LED-Resistor que se muestra en la figura 2. Una vez que se ha construido la parte del regulador, coloque la batería y conecte momentáneamente la resistencia a los + 5v en lugar de pin 12. En caso que no encienda, luego invierta las conexiones del LED. Asegúrese de regresar el cable según sea necesario en las figuras 1 y 2. Como una nota lateral interesante, invertidos parciales LED-Resistor pueden a menudo utilizarse combinaciones como un sensor óptico cuando 5v se aplica a través de la combinación y se mide la señal en la conexión del LED-Resistor. En cuanto a color, elija rojo o verde para el uso con la 2.2 resistencia k se muestra en el esquema. Azul va a estar bien, pero quizá quieras cambiar el resistor a 1.5k para hacerlo más brillante. Siempre es bueno tener un buen suministro de LEDs y resistencias. Se refieren a la discssion en Inicio #3 respecto a LEDs.
Clip para batería de 9v
La soldadura de alambres sólidos corto (24ga) a los extremos de las puntas de clip de batería de 9v para asegurarse de que los cables se fije firmemente al tablero del experimentador. Generalmente cables trenzados no correctamente empuje los clips de recipientes a bordo del experimentador.
¿Caliente?
Conecte una batería al clip de la batería y sentir el regulador y el MCU para el recalentamiento. Si bien se caliente abrasador de dedo, desconecte la batería rápidamente y averiguar el error de cableado.
Desconecte la batería
Desconecte la batería al completar las siguientes secciones. No conecte todavía el programador al cable adaptador.
PRECAUCIÓN
No conecte ningún dispositivo de 5v tiene su propia fuente de alimentación para una MCU funcionando con menos de 5v desde generalmente un más de un voltaje de 0, 5V-0.7V es suficiente para el MCU de humo (es decir, la ladrillo permanentemente). Por esta razón, tenga cuidado de no conectar la batería de 9v a Vcc en el MCU (20 Pin para ATTiny2313A paquete de la inmersión).