Paso 2: Información de componentes para cerradura de puerta inteligente






Arduino Uno: Arduino Uno es la Junta de desarrollo más popular en la familia de Arduino. No es obligatorio el uso de arduino uno, puede utilizar otro miembro de la familia de arduino arduino nano o micro arduino. También puede usar atmega328p independiente sin utilizar baord del arduino. Bien explicar tutorial "De Arduino a un microcontrolador en un protoboard" para el microcontrolador atmega de independiente es aquí.
Módulo Bluetooth (HC-05): Bluetooth es un tipo de comunicación inalámbrica que se utiliza para transmitir voz y datos a altas velocidades utilizando ondas de radio. Es ampliamente utilizado en teléfonos móviles para hacer llamadas, auriculares y compartir datos. Este tipo de comunicación es una forma barata y fácil para controlar algo remotamente utilizando arduino. Para comunicarse con arduino usando blutooth un módulo bluetooth necesita estar conectado con arduino. Hay varios modelo de módulo bluetooth. Estoy utilizando aquí HC-05 una muy común y barata. HC-05 módulo tiene 6 pines. Tenemos que conectar 4 pines a arduino, son:
RXD
TXD
VCC
TOMA DE TIERRA
RXD recibirá datos de arduino; TXD enviará datos al arduino; VCC es la fuente de alimentación (3, 3V a 6.6V) y GND es la tierra. Para más detalles haga clic aquí.
Prueba de arrendatario Movementing: No sé el nombre real de la pieza. Esta es la parte de reproductor de CD/DVD que se mueven al arrendatario LED para leer el CD. Esta parte contiene dos motores. Uno para hacer girar el CD y otro para móviles diodo de arrendatario. No necesitamos el CD del motor de giro, se puede quitar. También se puede encontrar esta parte para viejo PC CD/DVD ROM. Para este desmontaje de una unidad de CD, revisa el link:
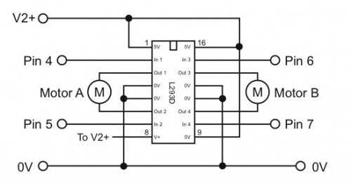
Motor Driver IC (L293D): L293D es un doble motor driver puente H circuito integrado (IC). Controladores de motor actúan como amplificadores de corriente ya que llevan un control de poca intensidad de señal y proporcionan una señal de corriente más alta. Esta señal de corriente más alta se utiliza para conducir los motores.
L293D contiene dos circuitos, driver puente H incorporados. En su modo común de la operación, dos motores de corriente continua pueden conducir al mismo tiempo, tanto en dirección hacia adelante y hacia atrás. Las operaciones de motor de dos motores pueden controlarse por entrada lógica en pins 2, 7, 10 y 15. Entrada lógica 00 o 11 detendrá el motor correspondiente. Lógica 01 y 10 gire en el sentido horario y antihorario respectivamente.
Activar los pines 1 y 9 (correspondiente a los dos motores) deben ser altos para motores empezar a operar. Cuando una entrada de enable es alta, es habilitado el controlador asociado. Como resultado, las salidas se convierten en activos y trabajo en fase con sus aportaciones. Asimismo, cuando la entrada enable es baja, que el conductor está deshabilitado, y sus salidas son y en el estado de alta impedancia. Para detalles del L293D consultar la hoja de datos adjuntó o haga clic en aquí.
Regulador de voltaje (LM7805): Se trata de un regulador de 5 voltios. Salida del adaptador de CA se da a la entrada del regulador. Salida del IC es de 5V regulada. Esta salida se da al L293D y microcontrolador. Pinout y hoja de datos del CI se une.