Paso 1: Diseño de circuitos


El primer esquema da una idea aproximada de cómo alambré la matriz LED de luz individuales con las teclas, aunque en mi matriz final no resulta bastante así que tal vez necesite editar el script de Arduino para que coincida con la configuración de la matriz (como la matriz funciona no importa lo que luces una clave que es totalmente configurable en software Usted verá lo que quiero decir en el paso siguiente).
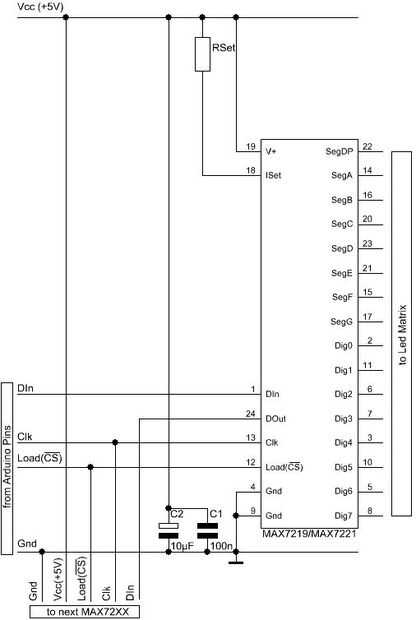
El segundo esquema es tomado de la Arduino Playground Página para la gama de MAX72xx, donde también encontrará una guía para elegir un valor para la resistencia limitadora actual RSet.