Paso 5: Hardware, electrónica










Yo sabía lo que necesitaba para las tiras de Led y para el módulo de Bluetooth.
RGB, los LED están conectados en serie. El primero pasa uno los datos y reloj para el segundo
así que necesitaba tener una cadena de 32 LEDs
La luz blanca sólo necesita 12V y tierra, pero quería más control. Así que spited el LED y quería controlar cada lado secreto.
WS2801:
-5V
-Datos.
-Reloj.
-Tierra.
Luz blanca: (4 x) (tira de cada lado 1)
-12V.
-Tierra.
Módulo de Bluetooth:
-5V.
-Rx.
-Tx.
-Tierra.
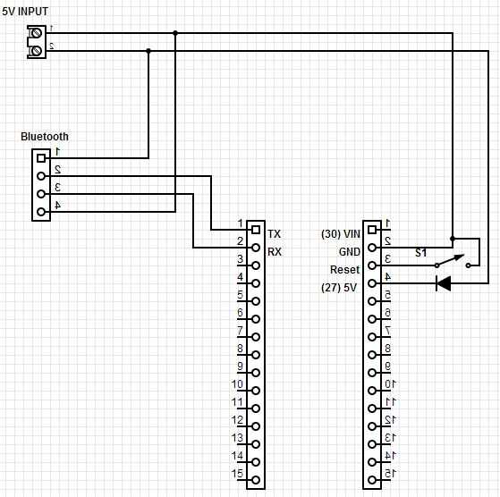
Consulte el diagrama (lo siento por la cama dibujo).
El Stip RGB está directamente conectado a Arduino en el puerto de 11 y 12 >
La luz blanca utiliza los puertos PWM (9, 6, 5, 3)
y el módulo Bluetooth está conectado al Rx y Tx puerto (0 y 1) en el Arduino.
Para el control de la energía de 12v con un PWM de 5v que necesitaba usar un MOSFET,
Usé un IRF9530. En combinación con una resistencia de 470 entre el Arduino PWM.
y una resistencia de 10K tire hacia abajo.
En el dibujo solo dibujo 1 circuito con el MOSFET. Pero para cada puerto PWM (4 x) es el mismo diagrama.
La alimentación de 5V en el Arduino utilicé diodos, esto porque si la energía por el USB (para debug y programación) el resto del sistema no está encendido.
especialmente el módulo de Bluetooth, esto utiliza el mismo Rx de un puerto Tx como el USB.
Y un par de diodos entre el PWM y el MOSFET. Al proteger el Arduino si algo debe ir mal
Yo sólo uso de un adaptador de 12v para alimentar, el poder convertir convierte los 12v a 5v para Arduino, tira de LED RGB y módulo Bluetooth
Después de horas de soldadura, una pega, la electrónica estaban dentro de la lámpara