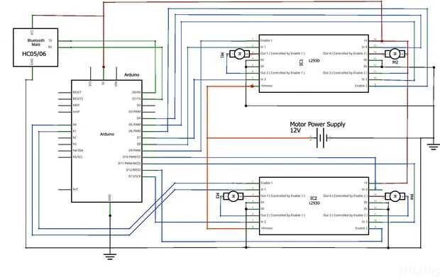
Paso 3: Esquema de circuito


El circuito es muy sencillo de diseño. No debe confundirse!
La placa arduino recibe el comando desde el módulo de bluetooth y proporciona la señal digital para el controlador de motor L293D IC. Motor controlador IC toma señal de los pines de arduino y conducir los motores mediante el uso de energía de la batería de 12V. Dos motores son de pinzas y los otros dos motores para el seguimiento de los conductores la rueda.