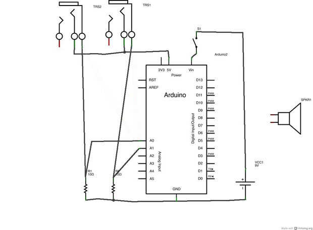
Paso 2:


Protoboard todo para leer la resistencia de cada tecla. De las tomas de jack de 2,5 mm poner la conexión del centro en la tierra a través de la resistencia de 10K, con un tirón para arriba puente en analógico 0 pin en el Arduino. Conecte uno de los pines de lado en la toma de 2,5 mm al pin de 5v. Repita para la otra toma de 2,5 mm con resistencia al 1 pasador analógico de ascender. Conecte una batería de 9v a GND y el pin Vin a través de cualquier tipo de encendido/apagado tiene disponibles. Esquemas de los circuitos no son mi punto fuerte pero con la ayuda de Fritzing, aquí va. La esperanza tiene sentido.