Paso 3: esquema

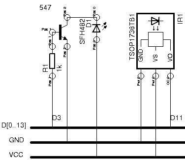
Conexiones LED IR:
Conecte una de las patas de la resistencia al pin digital de Arduino 3
Conectar la otra pata de la resistencia con el pin de la base del transistor (la pierna medio en mi caso)
Conecte el emisor del transistor a tierra
Conectar el colector del transistor a la pata negativa del LED (pata corta, lado plano del LED)
Conecte la pata positiva (pata larga, lado curvo) del LED al pin de 5v
Conexiones del receptor de IR (tendría que buscar el pinout para su particular receptor IR):
Pin GND a tierra
Pin de VS a 5v
VO a pin Arduino digital pin 11