Arduino Nano como programador Attiny 85 y 5 LED POV (1 / 3 paso)

Paso 1: ¿Qué necesitamos?

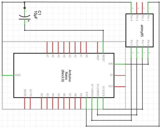
El circuito es simple

  1. Programador

    1. Ardunio Nano
    2. condensador de 10uF
    3. Attiny85
    4. Algunos cables
    5. PCB
  2. POV
    1. 5 LEDs (usar color ámbar o verde. Hacer no uso rojo)
    2. titular de IC de 8 pines
    3. Batería de 3V
    4. Switc

Software

  1. IDE de Arduino 1.6.4
  2. Archivos ATtiny Junta

Ref esta url para configurar las instrucciones buenas del IDE de Arduino High-Low Tech

Artículos Relacionados

Quema de bosquejo Atmega328P-PU en un protoboard utilizando Arduino Uno como programador

Quema de bosquejo Atmega328P-PU en un protoboard utilizando Arduino Uno como programador

Ya hay varios instructables sobre cómo quemar Arduino sketch Atmega328P-PU en un protoboard utilizando diferentes USB - UART módulos. Sin embargo, como la mayoría de dichos módulos se hacen en China, son pobremente documentadas, etiquetados incorrect
LittleBits Arduino como programador ATtiny

LittleBits Arduino como programador ATtiny

Este instructable le mostrará cómo programar un chip ATtiny85 de un littleBits Arduino. Hay una variedad de chips ATtiny; Yo se centrará en el ATtiny85. Es una gran manera de hacer una versión barata y permanente de su prototipo, como mi nuevo módulo
Arduino UNO como programador AtMega328P

Arduino UNO como programador AtMega328P

Después de recibir mi primer Arduino UNO, pronto comprendí que sería impráctico utilizar un UNO para cada proyecto. Como con la familia de Microchip de MCU, quería una manera fácil de programa independiente circuitos y chips.Buscando por internet, es
Arduino Nano: Registrar información de GPS a la tarjeta MicorSD con Visuino

Arduino Nano: Registrar información de GPS a la tarjeta MicorSD con Visuino

Las tarjetas MicroSD son soporte de almacenamiento barato y fácil, y son muy convenientes para el almacenamiento de datos del sensor de Arduino . También hay una serie de barato disponibles Módulos de tarjeta MicroSD para Arduino, y ya hice Instructa
Arduino Nano: Conexión de interruptor de la foto (optoacoplador ranurado) con Visuino

Arduino Nano: Conexión de interruptor de la foto (optoacoplador ranurado) con Visuino

Optoacoplador ranurado (foto interruptores) es muy útiles, incluida a menudo en proyectos de Arduino para detectar la posición de objetos en movimiento, medir la velocidad de rotación, o movimiento lineal, la frecuencia de eventos y muchos otros.Son
Arduino Nano: Presión barométrica y temperatura BMP180 con Visuino

Arduino Nano: Presión barométrica y temperatura BMP180 con Visuino

BMP180 son sensores de temperatura y Arduino presión barométrica combinados muy populares. Puede utilizarse para estaciones meteorológicas, así como para medir la altitud.En este Instructable, voy a mostrarles, lo fácil que es programar el Arduino pa
Arduino Nano: Sensor acelerómetro giroscopio MPU9250 brújula I2C con Visuino

Arduino Nano: Sensor acelerómetro giroscopio MPU9250 brújula I2C con Visuino

MPU9250es uno de los más avanzados sensores de tamaño pequeño acelerómetro, giroscopio y brújula actualmente disponibles combinados. Tienen muchas características avanzadas, incluyendo filtrado de paso bajo, detección de movimiento e incluso un proce
Arduino Nano: Mostrar ubicación GPS en I2C 2 X 16 LCD pantalla con Visuino

Arduino Nano: Mostrar ubicación GPS en I2C 2 X 16 LCD pantalla con Visuino

Hace unos días alguien me preguntó para hacer Instructable sobre cómo mostrar GPS latitud y longitud en una pantalla LCD. Prometí hacer una, y aquí está.En este Instructable, mostraré cómo conectar serie Módulo GPSy Pantalla de LCD I2C con Arduino Na
Arduino Nano: Teclado de matriz de I2C PCF8574/PCF8574A GPIO y Visuino

Arduino Nano: Teclado de matriz de I2C PCF8574/PCF8574A GPIO y Visuino

Telclados numéricos de la matriz son algunas de las maneras más simples y más populares para entrar información del teclado en microcontroladores Arduino tipo. Ya hice un Instructable mostrando cómo puede conectar teclado al Arduino Nano. La desventa
Arduino Nano y Visuino: medir la velocidad del Motor (RPM) con optoacoplador y Encoder de disco

Arduino Nano y Visuino: medir la velocidad del Motor (RPM) con optoacoplador y Encoder de disco

Al construir un coche de la robusteza, es importante controlar la velocidad de la rotación de las ruedas. Antes de que podemos controlar la velocidad sin embargo, necesitamos ser capaces de medirlo. Una de las maneras más populares y más fácil de med
Arduino Nano: BMP180 la presión barométrica y temperatura I2C pantalla LCD 2 X 16 Visuino

Arduino Nano: BMP180 la presión barométrica y temperatura I2C pantalla LCD 2 X 16 Visuino

El BMP180 es un muy popular sensor combinado de temperatura y Arduino de presión barométrica. Ya hice Instuctable con BMP180. Un número de personas sin embargo preguntó cómo puede conectar otro dispositivo I2C en el mismo bus I2C como el BMP180. Fina
Arduino Nano: Mide distancia con Ranger ultrasónico y registro para tarjeta MicroSD con Visuino

Arduino Nano: Mide distancia con Ranger ultrasónico y registro para tarjeta MicroSD con Visuino

Las tarjetas MicroSD son soporte de almacenamiento barato y fácil, y son muy convenientes para el almacenamiento de datos del sensor de Arduino . Hay también un número de baratos disponibles Módulos de tarjeta MicroSD para Arduino.En este Instructabl
Arduino Nano y Visuino: medida de peso con HX711 carga celular amplificador y el ADC

Arduino Nano y Visuino: medida de peso con HX711 carga celular amplificador y el ADC

HX711 Cargar celular amplificador y el ADC hacen muy fácil de construir su propia escala con Arduino. Con la ayuda de Visuino la tarea es tan fácil que usted puede completar en solo un par de minutos.En este instructable, mostraré cómo conectar la ce
Arduino Nano: Control de cepillado Motor de CC con tablero de conductor de L9110S y Visuino

Arduino Nano: Control de cepillado Motor de CC con tablero de conductor de L9110S y Visuino

Motores DC cepillado a menudo se utilizan para robots coche alrededor, o variedad de otros proyectos interesantes de Arduino. Para controlar el motor con Arduino, necesita normalmente utilizar un controlador de motor. Hay un montón de diferentes cont