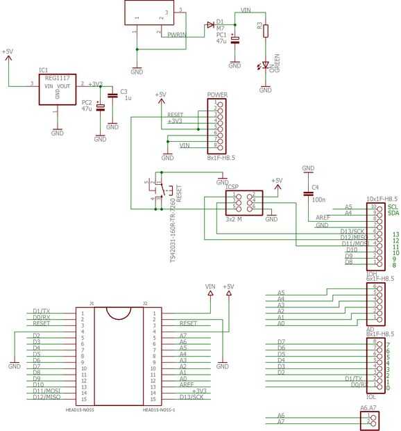
Arduino Nano Arduino Uno adaptador (2 / 5 paso)

Paso 2: El circuito de la placa de adaptador

El esquema de la Junta del adaptador se presenta en el cuadro. El más notable es que regulador de voltaje adicional se utiliza para la generación de los 3,3 v de la fuente.

Artículos Relacionados

Programar Arduino Nano via Uno con ICSP

Programar Arduino Nano via Uno con ICSP

Hola amigos,En este instructable, he mostrado que cómo puede usted programar Nano via Uno.Como se puede ver en sobre imagen, perno femenino de la USB de mi Arduino Nano se rompe.Así tengo que encontrar la manera de subir sketch que de alguna manera.U
Guía de compra para Arduino Uno

Guía de compra para Arduino Uno

Elegir un Arduino para comprar puede ser confuso, especialmente si usted está pensando en comprar un Uno. Vendedores en línea pueden omitir información importante, vendemos anticuado o inapropiadamente a precios tableros, y algunos pueden ser francam
Medidor de distancia ultrasónico con pantalla LCD en el Arduino UNO

Medidor de distancia ultrasónico con pantalla LCD en el Arduino UNO

En este tutorial vamos a ver un uso distinto del módulo de ultrasonidos HC-SR04. Este módulo es de uso frecuente en coches de juguetes y robots para localizar obstáculos pero puede ser utilizado para medir distancias así.Distancias medidas por la HC-
Sistema Ambilight para cada entrada conectado a su televisor. WS2812B Arduino UNO frambuesa Pi

Sistema Ambilight para cada entrada conectado a su televisor. WS2812B Arduino UNO frambuesa Pi

Siempre he querido agregar ambilight a mi TV. Se ve tan genial! Finalmente lo hice y no me decepcionó!He visto muchos videos y muchos tutoriales sobre la creación de un sistema Ambilight para tu TV pero nunca he encontrado un tutorial completo para m
Fresado de CNC casera máquina v2 - arduino uno GRBL

Fresado de CNC casera máquina v2 - arduino uno GRBL

Aquí he querido presentar mi segunda fresadora cnc. En este momento está listo 1 eje con control arduino GRBL. En definitiva, voy a añadir que más pasos construcción mi máquina en orden de creación. El objetivo de este proyecto es verificar el funcio
BRICOLAJE teléfono Bluetooth controlado BB-8 droide con Arduino UNO

BRICOLAJE teléfono Bluetooth controlado BB-8 droide con Arduino UNO

Soy un gran fan de Star Wars y cuando vi Star Wars: la fuerza despierta pensé que necesito un droide de BB-8. Era impresionante cómo esta esfera poco movido en la película. Así que he decidido que voy a hacer este droide que se basa en el Arduino UNO
Cómo programa ATtiny85 con Arduino UNO

Cómo programa ATtiny85 con Arduino UNO

Cómo programar Attiny85 con Arduino UNO de manera más fácilPaso Tutorial paso, con ninguna medida para saltar por PCB impresionante.Paso 1 - ¿qué necesitamos?Paso 2 - placa de Arduino conecta con ArduShield y ATtiny85Paso 3 - configuración IDE de Ard
Conectarse usando ESP8266 como Arduino Uno wifi shield (sólo Mac) Blynk

Conectarse usando ESP8266 como Arduino Uno wifi shield (sólo Mac) Blynk

Este es un tutorial para mostrar cómo conectarse a Blynk con un ESP8266 - 01 como un Arduino Uno wifi protector. Este tutorial es muy detallado para ayudar a aquellos que son muy nuevos en esta materia.-Hardware necesario:Arduino UnoMacho a macho cab
Cómo uso mBlock Software para Control de la placa de Arduino UNO para tocar el órgano electrónico

Cómo uso mBlock Software para Control de la placa de Arduino UNO para tocar el órgano electrónico

mBlock es un software de programación gráfica que está diseñado partiendo de cero y es compatible con placas Arduino Arduino UNO, Nano, mega 2560, leonardo, PicoBoard, Makeblock Junta y etc.. La gente puede programar su aplicación, proyectos de Ardui
Hacer un Robot con Arduino UNO de uno mismo-equilibrio

Hacer un Robot con Arduino UNO de uno mismo-equilibrio

Uno mismo-equilibrio Robot es muy interesante. Muchos amigos que nos rodean estaban tratando de hacer uno, pero encounted muchos desafíos, incluyendo la falta de las estructuras de fácil montaje, los circuitos electrónicos adecuados y los programas.
Adafruit protector de la onda + arduino uno R3 = alarma (knight rider)

Adafruit protector de la onda + arduino uno R3 = alarma (knight rider)

Hey!Nuestro almacén tiene roto en hace un tiempo y han robado 2 bicicletas y mi laptop que yo solo he reparado. El portátil no merece la pena mucho, sin embargo, es (era) de un valor enorme, personal para mí y es más bien una vergüenza si algo consig
Subir sketch Arduino Pro Mini usando Arduino UNO

Subir sketch Arduino Pro Mini usando Arduino UNO

He comenzado mi camino con el arduino UNO, hacia el mini pro no comprar el adaptador USB, pero el Consejo UNO que sirve para subir mis dibujos.Paso 1: Quitar el Atmel ICMuy cerfuly quitar el IC Atmel de Arduino UNO, las clavijas son muy gentel así qu
Cómo programar Arduino Pro Mini con Arduino Uno y ArduShield - sin los cables de

Cómo programar Arduino Pro Mini con Arduino Uno y ArduShield - sin los cables de

El objetivo principal de esta instrucción es mostrar cómo programar más fácil manera de Arduino Mini o Arduino Pro Mini con Arduino UNO y ArduShield – sin los cables.Paso Tutorial paso, con ninguna medida para saltar por PCB impresionante.Paso 1 - ¿q
Con un compás GPS de Ublox Ace Hobby módulo Arduino Uno

Con un compás GPS de Ublox Ace Hobby módulo Arduino Uno

Recientemente me encontraba ayudando a mi hijo a armar un globo de altitud alta (HAB) para un proyecto escolar y lo que adquirió para el proyecto era un módulo de GPS de Ublox Ace Hobby con brújula incorporada.Esto fue diseñado originalmente para uti