Paso 3: Hacer un Arduino independiente Dual





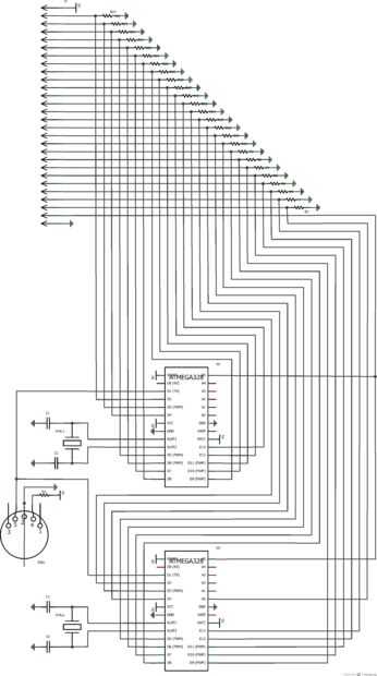
El cristal de 16 MHZ está conectado a los pines 9 y 10 del IC. Un condensador está también conectado al pin 9 y luego al suelo, mientras que el otro al pin 10 y luego a tierra.
La soldadura del IC asientos, alimentación, cristales, condensadores y conector hasta la Junta de perf. Imprimir la imagen de los pines del ATmega Arduino. Escriba lo que utilizó para etiquetar los cables pedal hacia abajo en cada uno. Mi papá les etiquetado simplemente como las notas: C, C +, D, D +, E, etc. (+ significado #) Esto ayudará con el paso de programación. Enviar un cable de 5V a un lado de 10s conmutadores de pedal de +. Los cables de retorno de los pedales están conectados a las entradas digitales de la IC. No olvide incluir desplegable resistencias en las entradas para los pedales.
Cuando el cable MIDI está siendo conectado a la Junta, se utilizan sólo tres pernos de los cinco: + 5V, GND y un serial transmiten en digital pin 1 (pin 3 del IC). Una resistencia de 220 Ohm debe ser conectado entre el + 5V y salida para evitar daños en el sintetizador o secuenciador MIDI MIDI.
Pin analógico 5 en ambos ATmegas están conectados al pin medio de un potenciómetro. En mi caso, el potenciómetro era en el pedal de volumen del órgano. Los otros dos pasadores del potenciómetro se conectan al + 5V y GND.
La siguiente lista muestra el esquema. Por favor, disculpen la redundancia de nuevo listado de las partes.
----------------------------------------------------------------------------------------------------------------------------------------
C1 Ceramic Disk Capacitor package THT; rated voltage 200V; capacitance 22pF; capacitor type Ceramic C2 Ceramic Disk Capacitor package THT; rated voltage 200V; capacitance 22pF; capacitor type Ceramic C3 Ceramic Disk Capacitor package THT; rated voltage 200V; capacitance 22pF; capacitor type Ceramic C4 Ceramic Disk Capacitor package THT; rated voltage 200V; capacitance 22pF; capacitor type Ceramic DIN1 DIN-5 jack (MIDI) package THT; form jack (female); pins 5 J1 Generic double row male header - 28 pins package THT; hole size 1.0mm,0.508mm; row double; form ♂ (male); pins 28; pin spacing 0.1in (2.54mm) R1 220 Ω Resistor package THT; tolerance ±5%; bands 4; resistance 220Ω; pin spacing 400 mil R3 390 Ω Resistor package THT; tolerance ±5%; bands 4; resistance 390Ω; pin spacing 400 mil R4 390 Ω Resistor package THT; tolerance ±5%; bands 4; resistance 390Ω; pin spacing 400 mil R5 390 Ω Resistor package THT; tolerance ±5%; bands 4; resistance 390Ω; pin spacing 400 mil R6 390 Ω Resistor package THT; tolerance ±5%; bands 4; resistance 390Ω; pin spacing 400 mil R7 390 Ω Resistor package THT; tolerance ±5%; bands 4; resistance 390Ω; pin spacing 400 mil R8 390 Ω Resistor package THT; tolerance ±5%; bands 4; resistance 390Ω; pin spacing 400 mil R9 390 Ω Resistor package THT; tolerance ±5%; bands 4; resistance 390Ω; pin spacing 400 mil R10 390 Ω Resistor package THT; tolerance ±5%; bands 4; resistance 390Ω; pin spacing 400 mil R11 390 Ω Resistor package THT; tolerance ±5%; bands 4; resistance 390Ω; pin spacing 400 mil R12 390 Ω Resistor package THT; tolerance ±5%; bands 4; resistance 390Ω; pin spacing 400 mil R13 390 Ω Resistor package THT; tolerance ±5%; bands 4; resistance 390Ω; pin spacing 400 mil R14 390 Ω Resistor package THT; tolerance ±5%; bands 4; resistance 390Ω; pin spacing 400 mil R15 390 Ω Resistor package THT; tolerance ±5%; bands 4; resistance 390Ω; pin spacing 400 mil R16 390 Ω Resistor package THT; tolerance ±5%; bands 4; resistance 390Ω; pin spacing 400 mil R17 390 Ω Resistor package THT; tolerance ±5%; bands 4; resistance 390Ω; pin spacing 400 mil R18 390 Ω Resistor package THT; tolerance ±5%; bands 4; resistance 390Ω; pin spacing 400 mil R19 390 Ω Resistor package THT; tolerance ±5%; bands 4; resistance 390Ω; pin spacing 400 mil R20 390 Ω Resistor package THT; tolerance ±5%; bands 4; resistance 390Ω; pin spacing 400 mil R21 390 Ω Resistor package THT; tolerance ±5%; bands 4; resistance 390Ω; pin spacing 400 mil R22 390 Ω Resistor package THT; tolerance ±5%; bands 4; resistance 390Ω; pin spacing 400 mil R23 390 Ω Resistor package THT; tolerance ±5%; bands 4; resistance 390Ω; pin spacing 400 mil R24 390 Ω Resistor package THT; tolerance ±5%; bands 4; resistance 390Ω; pin spacing 400 mil R25 390 Ω Resistor package THT; tolerance ±5%; bands 4; resistance 390Ω; pin spacing 400 mil R26 390 Ω Resistor package THT; tolerance ±5%; bands 4; resistance 390Ω; pin spacing 400 mil R27 390 Ω Resistor package THT; tolerance ±5%; bands 4; resistance 390Ω; pin spacing 400 mil U1 atmega328 package DIP28 (Dual Inline) [THT]; version Atmega328-20PU; type ATMEGA328 U2 atmega328 package DIP28 (Dual Inline) [THT]; version Atmega328-20PU; type ATMEGA328 XTAL1 Crystal package THT; frequency 16 Mhz; type crystal; pin spacing 5.08mm XTAL2 Crystal package THT; frequency 16 Mhz; type crystal; pin spacing 5.08mm