Paso 2: Diseño, lista de piezas, etc..



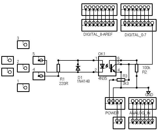
Resistencias (1 pieza de cada uno): 220 ohmios, 100 kohmios, 3,3 kOhm
Diodo: 1N4148
Optoacoplador: 4N28
Conector 5 PIN DIN (conector de MIDI)
2 cabezas de alfiler 1 x 8
cabeza de 1 alfiler 1 x 4
cabeza de 1 alfiler 1 x 6
También trabajará con otros optoacopladores (e.g. un 4N35, utilicé un 4N29)
Unido son los archivos necesarios para el grabado la Junta y los archivos de eagle si desea hacer modificaciones.