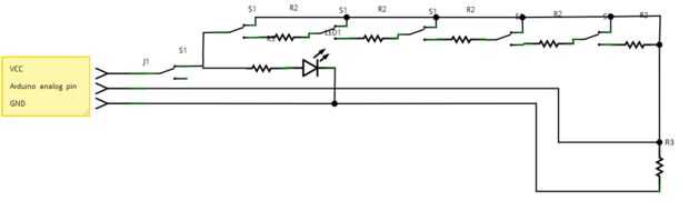
Arduino - Cuadro de lectura analógica (3 / 6 paso)

Paso 3: Conecta el switche y resistencias

Como dije en el paso antes de it´s basado en cascada de interruptores. Al pin medio de primera conmutador está conectado la fuente de alimentación VCC. Eje izquierdo está conectado a la resistencia, que va al pin central del siguiente interruptor. El eje derecho está conectado al cable, que es común para todos los conmutadores (se puede ver en el esquema). La resistencia en el último interruptor está conectada al cable común.

Artículos Relacionados

Conectar varias entradas digitales para una entrada analógica!

Conectar varias entradas digitales para una entrada analógica!

que funcionan a menudo fuera de pines digitales en mi Arduino. Nada como complicado como, digamos, un regulador del juego video, estaba cerca de imposible con la cantidad de pines que tenía disponible. Multiplexación botones funciona, pero requiere u
Lectura de entradas analógicas en tiempo Real utilizando Arduino y trazar usando LabVIEW

Lectura de entradas analógicas en tiempo Real utilizando Arduino y trazar usando LabVIEW

Cuando estaba haciendo mis proyectos uno de la parte fue lectura de datos analógicos y lo trazado. Desde entonces he no encontrado ningún artículo o instructable con material confiable hacerlo pensé en escribir los pasos que finalmente utilicé para r
Actualización de seguidor de línea analógica para Arduino con Attiny85

Actualización de seguidor de línea analógica para Arduino con Attiny85

ResumenEn este Instructable le mostrará cómo actualizar un análogo barato seguidor de línea en un seguidor de línea Arduino inteligente sustituyendo el LM393 comparador IC por un inteligente Attiny85 y Arduino sketch.IntroducciónRobot seguidor de lín
ARDUINO interfaces y convertidores para entrada/salida digital/analógica

ARDUINO interfaces y convertidores para entrada/salida digital/analógica

CE schéma réunit toutes les interfaces ou convertisseurs j'utilise avec mes microcontrôleurs pour piloter mes systèmes (gaine de ventilación chauffante régulation de température, portail automatisé, cuatro thermique, carga de monte, estación de pompa
Entrada de Arduino analógica pantalla

Entrada de Arduino analógica pantalla

Hola, este es un sencillo instructivo que muestra cómo utilizar una entrada analógica (potenciómetro) y mostrar que en forma de porcentaje en una pantalla de caracteres LCD 16 X 2Gracias por mirar!Paso 1: Piezas necesarias lo que necesita:1 x arduino
Arduino conectado con oxímetro de pulso Nonin (módulo OEM) para producir salida analógica

Arduino conectado con oxímetro de pulso Nonin (módulo OEM) para producir salida analógica

este proyecto fue concebido para tener una señal analógica fiable que puede ser interconectada directamente con Labview para la recolección de datos en una investigación que estábamos tratando de hacer. Oxímetro de pulso disponible comercialmente la
Veleta analógica con Auto configurar

Veleta analógica con Auto configurar

Continúa el proyecto de estación de GPRS en línea increíble, tenemos otra actualización a la amplia gama de sensores con una profesional analógico Veleta, amablemente donado por instrumentos de Vector. Este dispositivo será finalmente enganchar en el
Circuito de protección de entrada analógica

Circuito de protección de entrada analógica

Pines de entrada analógicas son una característica común de muchos tableros de microcontrolador. Sin embargo, debido a la tensión de la Junta, se limitan a un analógico voltaje de entrada máximo (1.8V, 3.3V, 5V), más allá del cual terminará freír la
Bluetooth control LED con entrada analógica de LDR para TfCD

Bluetooth control LED con entrada analógica de LDR para TfCD

Pablo Bosch - 4154746Duygu Guroglu - 4519191Este proyecto es una variante de la prueba de RFduino y Android App muestra de Iann (Iann RFDuino prueba App)Reescribió el existente programa de prueba para la RFduino y la aplicación de prueba para Android
Múltiples entradas analógicas usando un perno de analoge

Múltiples entradas analógicas usando un perno de analoge

¡ Hola!En este instructible voy a explicar cómo leer valores de más de un sensor mediante el uso de solamente una clavija de entrada analógica.Te preguntarás por qué desea esto.Cuando se utiliza un tablero de Nodemcu, como se muestra en la imagen, un
Medidor de voltaje del coche, la versión analógica (con el contraluz del "smart")

Medidor de voltaje del coche, la versión analógica (con el contraluz del "smart")

Originalmente hice 7 segmentos voltaje metro, pero sun hizo difícil de leer. Calculado para hacer la versión analógica con el contraluz inteligente; color cambia cuando se presenta la situación de sobre o bajo voltaje. Medidor de voltaje dice que si
Ecografía de analógica telémetro

Ecografía de analógica telémetro

Cuando comencé mi carrera en sistemas de control que estaba fascinado con las muchas diferentes maneras en que las máquinas podría conectarse con el medio ambiente que operaban en. Interruptores de límite (eléctricos y ópticos), codificadores, resolu
Tutorial de conversión Digital analógica

Tutorial de conversión Digital analógica

Hola chicos, soy una ayudante para una introducción a la clase de ingeniería por especialidad de la ingeniería biomédica en la Universidad de Vanderbilt este semestre. He creado este vídeo para explicar la conversión de analógico a digital para ellos
Igualación de RIAA profesional con electrónica analógica

Igualación de RIAA profesional con electrónica analógica

De qué trata este informePorque soy un verdadero audiófilo y un entusiasta de la electrónica, a menudo trato de combinar ambos. La mayoría de mis proyectos son acerca de algunas cosas electrónica analógica, donde trato de sacar lo mejor de registros