Paso 1: ¿Por qué necesitamos esta IC?



Dos razones;
1) la corriente de la placa Arduino UNO es baja para funcionar los motores
2) no se puede invertir la dirección de rotación del motor
He probado usando transistores NPN como interruptor electrónico para invertir la dirección de la corriente en motores pero él no podía llevar la corriente y jodido (¡ BAM!)
Este IC puede controlar 2 motores
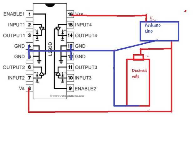
Por lo que IC L293D tiene 16 pines, el pin de Vss está conectado a 5v de arduino (condición Vss entrada min 4.5v)
Vs pin a la terminal de la batería encender motores + (condición 36v > entrada Vs > entrada de Vss)
(Puede llevar hasta 600amps)
los pines GND se conectan el terminal - de la batería y el pin gnd de arduino están conectados juntos a estos pines
Pernos de 3,6 a los bornes de un motor 14,11 a terminales de otro motor
Pin 2,9 llamado permiten pernos. Variando el voltaje entre 0 a Vss puede controlar la velocidad del motor
así que lo conecte a clavijas de salida PWM de arduino (ej. de polos 2 para el motor en el PIN 3, 6)
Dando entrada al pin 2 gira el motor 3,6 en una dirección y dar entrada al pin 7 gira en otra dirección simplemente conectar a los pines de salida digital
Dando entrada al pin 15 gira el motor 14,11 en una dirección y dar entrada al pin 10 gira en otra dirección simplemente conectar a los pines de salida digital
Puede utilizar una fuente de la batería para el funcionamiento de la placa Arduino y IC L293D
Compré un IC con adaptador como su fácil de usar.