Paso 4: Asamblea de todos






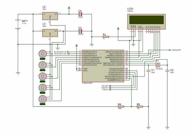
Construir un escudo de arduino que incluye regulador de potencia y conector de salida que su puede conectarse y conectar fácilmente todo el motor servo 5 en él. Foto de arriba muestra que mi protector de tanque de arduino que ha incluido HC-06 bluetooth, 6 servo motor conector, conector frontal y luz trasera, buck converter power LCD conector y un conector del sensor ping. Este proceso requiere algunas habilidades de soldadura y diseño propia pista del PCB. Yo uso plotter PCB para fresado un escudo de donut de arduino (cuando estaba en la Universidad). Sólo tienes que seguir el número de pin y esquema por lo que nunca perdiste ~
pin función
0 = Tx azul
1 = Rx azul
2 = servo 1 (izquierda)
3 = servo 2 (derecha)
4 = servo 3 (boom)
5 = servo 4 (brazo)
6 = servo 5 (pinza)
7 =
8 = ENABLE DEL LCD
9 = D5 LCD
10 = cabeza luz LCD luz
11 = RS DEL LCD
12 = D4 LCD
13 = D6 DE LA PANTALLA LCD
A0 =
A1 = perno de Trig
A2 = Pin eco
A3 = luz de la cola
A4 = LCD D7
A5 = batería