APR9600 Grabación de voz y sistema de reproducción con JRC286D Chip ICStation Mega 2560 Arduino Compatible (2 / 21 paso)

Paso 2: Esquema

Artículos Relacionados

Módulo láser de KY-008 x módulo de grabación de voz de láser Detector x ISD1820

Módulo láser de KY-008 x módulo de grabación de voz de láser Detector x ISD1820

Sólo hemos encontrado un gran módulo que te puede dar más posibilidades y esto es Detector de láser. Puede detectar láser con sensor transparente y enviar la salida alta o baja a Arduino. Utilizar con Módulo de láser de KY-008 juntos puede que sea co
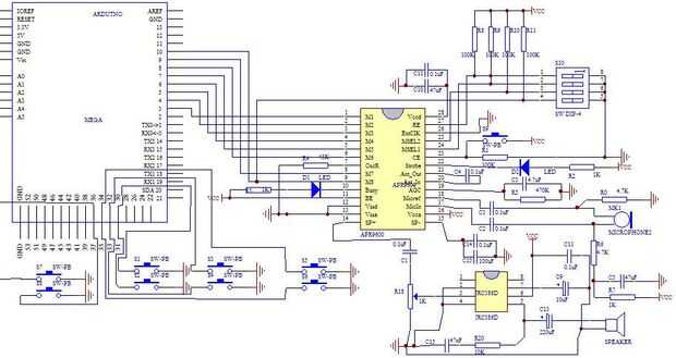
Sistemas de emisión de la voz del MCU basada en ICStation Mega compatible con Arduino

Sistemas de emisión de la voz del MCU basada en ICStation Mega compatible con Arduino

ICStationequipo presentarles este MCU sistema de difusión de voz basado en ICStation Mega2560. Este sistema funciona bajo voltaje DC5V. Pueden transmitir canciones internas concedidas en el MCU. Además, puede realizar la función de reproducción, paus
Arduino y Visuino: conectar 4D sistemas ViSi genio inteligente con pantalla táctil con Arduino

Arduino y Visuino: conectar 4D sistemas ViSi genio inteligente con pantalla táctil con Arduino

Llega un momento, cuando usted quiere tener una pantalla táctil conectada a la placa Arduino. Hay muchos tamaños y diferentes opciones de visualización disponibles, pero la mayoría de ellos requieren gran cantidad de código que se desea controlar, y
Un sistema hidropónico Simple con MediaTek LinkIt™ una

Un sistema hidropónico Simple con MediaTek LinkIt™ una

Hoy queremos describir un proyecto basado en la nueva Junta de Mediatek Linkit uno. Con esta tabla queremos realizar un sistema hidropónico simple que es capaz de:1) que la solución nutritiva de la hidroponía:Esto se hará mediante el uso de válvulas
Sistema de iluminación bricolaje habitación inteligente con Sensor de movimiento PIR y Arduino

Sistema de iluminación bricolaje habitación inteligente con Sensor de movimiento PIR y Arduino

Hola amigos, tema de hoy es el sistema inteligente luz de la habitación y como sensor de movimiento PIR detecta el movimiento y el trabajo por consiguiente. Voy a contarles sobre el proyecto en el que usted aprenderá cómo puede auto encendido la luz
Actualización de Undistructible a su viejo anticuado sistema de música con tarjeta SD, USB, inalámbrico auxiliar

Actualización de Undistructible a su viejo anticuado sistema de música con tarjeta SD, USB, inalámbrico auxiliar

Undistructible actualización a su viejo anticuado sistema de música con tarjeta SD, USB, inalámbrico auxiliarLo lograr haciendo esto sin dañar coche fm modilator:-1. seguir usando en el coche2. uso para escuchar música desde la tarjeta sd, pendrive u
DIY "cualquier cosa" botón fácil Staples (grabación de voz)

DIY "cualquier cosa" botón fácil Staples (grabación de voz)

El botón de grapas "Fácil" es ya un clásico escritorio, pero sería mucho más divertido si dice lo que quieras. Sé que algunas personas ya han hecho hacks como este, pero esto es menos costoso que muchos de ellos. También, Staples ha cambiado rec
2.4 sistema de intercalación de datos G Wireless basado en Arduino RF Uart

2.4 sistema de intercalación de datos G Wireless basado en Arduino RF Uart

Moderna casa inteligente puede fácilmente conectar entre sí todos los equipos eléctricos, pero casi todos los terminales dependen de la fuente de alimentación siempre energía, así que tenemos que hacer un poder de tamaño más pequeño, INHAOS AC-5000 p
Sistema de domótica con 1SHEELD basado en SMS

Sistema de domótica con 1SHEELD basado en SMS

Hola amigos, este mi primero instructable y apenas convertido 16 año viejo hace dos meses.En este instructable mostrará cómo hacer 5 canal SMS basado en sistema de domótica mediante 1sheeld. En vez de utilizar Relés electromagnéticos que he construid
El sistema de emulador Ultimate con HyperSpin

El sistema de emulador Ultimate con HyperSpin

De forma esta es la segunda parte a la fijación de MAME que hice un tiempo atrás. I esta guía voy a entrar en lo que usted necesita saber en hacer el último sistema de emulador para alguno a seguir. Allí esto será dependiendo de lo mucho que puede pa
Mi sistema de Audio personalizado con control remoto inalámbrico de playstation 2, LCD de 7" pulgadas con auriculares inalámbricos, LEDS, 5 Farad Capacitor

Mi sistema de Audio personalizado con control remoto inalámbrico de playstation 2, LCD de 7" pulgadas con auriculares inalámbricos, LEDS, 5 Farad Capacitor

este es mi sistema de audio de coche hecho personalizado diseñado y construido por mí.  Esto es una fibra de vidrio altavoces caja que hice usando un material de marco y el paño grueso y suave madera, fibra de vidrio cuanto, llenador del cuerpo y un
El símbolo del sistema en cualquier ordenador con Windows

El símbolo del sistema en cualquier ordenador con Windows

símbolo es posiblemente lo más importante en Windows. Las escuelas a menudo bloquean el símbolo del sistema en el menú Inicio y también negar el acceso a él una vez que han averiguado Cómo iniciarlo. Le mostrará cómo obtener el símbolo del sistema y,
Sistema de riego inteligente con arduino...

Sistema de riego inteligente con arduino...

En este instructable quería compartir mi sistema de riego automático usando arduino, sensor de humedad del suelo y una válvula de simple acuario conectado a un servo... Sensor de humedad toma lecturas constantes de la humedad del suelo y al Arduino q
Construir un sistema de altavoces sencillo con LEGO!

Construir un sistema de altavoces sencillo con LEGO!

Hola a todos! En este Instructable, mostraré cómo hice un altavoz con algunos circuitos y una caja hecha con LEGO! Me ocurrió la idea mientras buscaba un caso para el altavoz. Yo tenía una vieja casa LEGO. LEGO es fácil de usar y es literalmente un j