Paso 2: Relé de estado sólido u optoacopladores o aisladores digitales




Photocouplers y MOSFETs de acoplamiento óptico (OCMOS FETs) transmiten señales permaneciendo aislados eléctricamente.
Por lo tanto, puede haber algunas personas que se preocupa la diferencia de ellos. Entonces, nos gustaría describir sus diferencias a continuación:
- Diferencias estructurales
- Diferencias características
- Diferencias de aplicación
1. estructurales diferencias
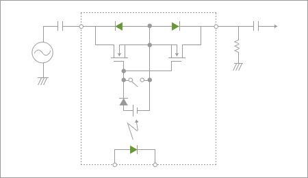
Las figuras (structure.gif) a continuación muestran las principales estructuras internas de un fotoacoplador y un OCMOS FET.
Como se muestra en el fotoacoplador a la izquierda, cuando la luz de diodo (LED) enciende en el fototransistor, la luz genera una fotocorriente que fluye desde el colector a la base del fototransistor.
En consecuencia, cuando no se enciende el LED, el fototransistor es cortar y cuando el LED se ilumina fuertemente, una fotocorriente grande fluye desde el colector a la base y el fototransistor está encendido constantemente. A diferencia de cuando el base-colector es simplemente cortocircuitado, incluso si el voltaje de collector-emitter es menor que el emisor de base adelante voltaje de un transistor, la fotocorriente todavía fluye y el fototransistor es conductor. Por otro lado, como se muestra en la figura arriba a la derecha, OCMOS FET incorpora células fotovoltaicas, y el LED se ilumina, las células fotovoltaicas cargar la capacitancia de la puerta para aumentar el voltage gate-source, encender el MOS FETs en el caso de un tipo de hacer contacto. Un contacto del tipo de rotura, los FETs son conductoras con no voltage gate-source. Sin embargo, cuando el LED está encendido, las células fotovoltaicas sesgo el voltage gate-source reverso, corte los FETs. Cuando para hacer tipo OCMOS FET, las células fotovoltaicas no sólo detener carga pero el interruptor interno de descargador se cierra automáticamente, forzando las puertas de descarga. Como resultado, inmediatamente cae el voltage gate-source. Dos FETs en un OCMOS FET en serie están conectados juntos en reversa. Por lo tanto, cuando OCMOS FET es conductor, tanto de los FETs cabo bidireccionalmente. Sin embargo, cuando OCMOS FET no es conductor, FET que es hacia adelante con el voltaje aplicado corte, mientras que conduce un diodo parásito de otro FET.
2. características diferencias
Debido a estas diferencias estructurales anteriores, photocouplers y OCMOS FETs tienen diferencias características como sigue: aunque photocouplers conducta sólo DC (corriente directa) en la salida, OCMOS FETs pueden llevar a cabo tanto en DC como en AC (corriente alterna) en la FETs.Generally, la velocidad de photocouplers microsegundos o más rápido, mientras que el de OCMOS FETs es tan lento como milisegundos. Aunque las características de conducción de salida del fotoacoplador varían según el valor corriente de entrada, los de OCMOS FET están relacionados con el valor actual de entrada. General y teóricamente el fotoacoplador se convierte en conductor corresponde a una entrada. Sin embargo, hay dos tipos de FETs OCMOS: un tipo que lleva a cabo (un contacto: tipo de hacer contacto) y un tipo que rompe (b-contacto: contacto de rotura de tipo), cuando se aplica la entrada. Por lo tanto, aunque la operación de alta velocidad como no puede esperarse de un fotoacoplador para OCMOS FETs, OCMOS FETs puede cambiar CA y también de una gran corriente en el rango de amperios con una pequeña corriente de entrada (tan pequeños como unos pocos miliamperios).
3. diferencias de aplicación
En general el fotoacoplador se utiliza sólo para la transmisión de una señal de DC. Sus aplicaciones incluyen:
(Pulse.gif) la transmisión de pulso:
Transmisión de la señal analógica DC (analog.gif)
Por otro lado, porque la velocidad de funcionamiento de un FET OCMOS es más lento que el de un fotoacoplador, rara vez se utiliza para la transmisión de la señal.
Sin embargo, debido a la conducción bidireccional de MOSFET y bajas características de resistencia, se utiliza principalmente como un "interruptor electrónico" que intermits señales de CA. Por lo tanto OCMOS FETs también se llama un SSR (rele de estado solido).