ANT + y la integración de Arduino con Cateye Ergociser bicicleta estacionaria (1 / 5 paso)

Paso 1: Conexión a la Cateye Ergociser

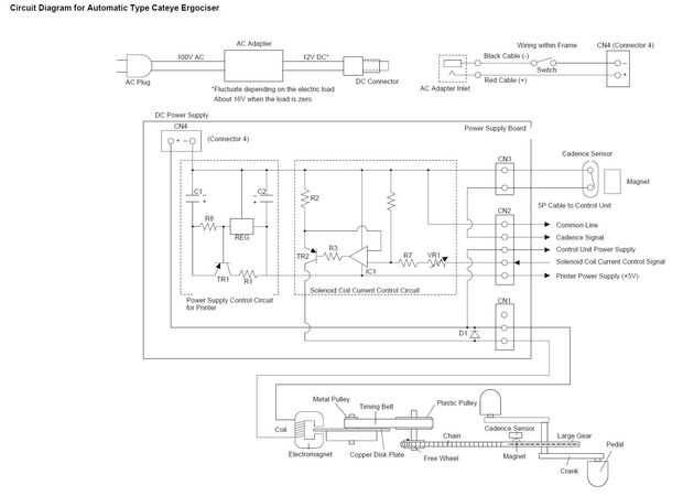
Yo era capaz de encontrar documentación para una bicicleta de ejercicio modelo similar (tengo el Cateye 1000) en internet y utiliza esto para averiguar los lugares de conexión para el sensor de cadencia, medidor de potencia y energía de entrada. Arriba están los esquemas para la bicicleta. En la documentación, hay un conector de 5P (pin) que va desde el tablero de control del ejercicio con la unidad central de la moto. Empalmado en este cableado y me quitó la señal para el sensor de cadencia (cadencia señal) y medidor de potencia (solenoide bobina actual señal). Para la conexión de potencia para el Arduino, empalma en el cableado del conector CN4 (+ y -).

Artículos Relacionados

Integración de tu Arduino con Flash y Actionscript 3

Integración de tu Arduino con Flash y Actionscript 3

por lo que podría han estado buscando en varios sitios web descarga el código de Arduino para comunicarse con flash, pero si eres como yo probablemente tenía algunos problemas tratando de hacerles bien comunicarse.  Bien este tutorial mostrará a uste
Programar tu Arduino con un dispositivo Android!

Programar tu Arduino con un dispositivo Android!

Hola,en este Instructable que quiero mostrarle, cómo puedes programar tu Arduino con tu dispositivo Android. Es muy simple y barato. También nos permite programar el Arduino donde siempre que queramos, esto es útil para instalación permanente placas
Control de Arduino con python basado en web API (No php)

Control de Arduino con python basado en web API (No php)

En esta guía le mostrará cómo controlar el dispositivo arduino de una página web! Luego, te voy a mostrar cómo controlar tu arduino desde tu dispositivo móvil e incluso crear un API basado en web para controlar tu arduino desde su página web con otro
Bicicleta - sistema de purificación de agua accionado arduino (con luz UVC)

Bicicleta - sistema de purificación de agua accionado arduino (con luz UVC)

Este instructable muestra cómo un sistema de purificación de agua UV-C con una bicicleta y arduino el control de la energía. Una dinamo en la parte trasera de la bicicleta carga una batería (que inicialmente hemos cargado ya para este proyecto) que s
Temporizador de cuenta regresiva de Arduino con los botones de configuración

Temporizador de cuenta regresiva de Arduino con los botones de configuración

En esta guía de Instructables te mostrará cómo hacer su propio temporizador de cuenta regresiva de Arduino dos dígitos. Hice mi propio circuito utilizando el microcontrolador ATmega328 pero este es un paso opcional. En esta guía te ayudaré a hacer fá
Caja para Arduino con corte láser - Uno, Mega, Leonardo, Yun

Caja para Arduino con corte láser - Uno, Mega, Leonardo, Yun

Una caja para nuestras tarjetas Arduino, es un gran aliado para protegerlas y manipularlas de forma más sencilla. ¿Y qué mejor forma para conseguir una caja para tu Arduino fabricarla tú mismo?En este Instructable encontrarás los archivos para fabric
Control de Arduino con teléfono Android a través de Bluetooth

Control de Arduino con teléfono Android a través de Bluetooth

Hola gente, aquí pueden aprender a controlar Arduino con teléfono Android a través de Bluetooth. Puede utilizar tu smartphone como un control remoto para sistema de iluminación del hogar o se puede utilizar como un etc. remoto del abejón.Para realiza
Programación Arduino con otro Arduino

Programación Arduino con otro Arduino

Este es mi primer Instructable. En este Instructable voy a mostrarle cómo programar un Arduino con otro Arduino. No hay controladores son necesarios! Este Instructable es también útil para subir bocetos a chino ArduinoPaso 1: Cosas necesarias1. un Ar
Reloj de tiempo Real de Arduino con alarma y sensores ambientales

Reloj de tiempo Real de Arduino con alarma y sensores ambientales

Reloj de Arduino, con respaldo de batería (reloj en tiempo real), tiempo, fecha, alarma, temperatura, humedad, presión, LCD, salida, entrada de teclado, dormir modo, blanco de iluminación (4 X) LED LCD con control de intensidadPaso 1: Lista de piezas
Controlar un Arduino con cacao (Mac OS X) o C# (Windows)

Controlar un Arduino con cacao (Mac OS X) o C# (Windows)

No no estoy hablando controlar un Arduino con una barra de chocolate o cacao en polvo. Estoy hablando del lenguaje de programación Objective-C. ¿Qué es cacao? El cacao es un conjunto de Marcos, escrito en el lenguaje de programación de Objective-C pa
Reloj de Arduino con un motor de corriente continua (una aguja)

Reloj de Arduino con un motor de corriente continua (una aguja)

Hola,Estaba tratando de hacer un reloj con arduino con un solo motor pero no era posible con el método estándar como tiene que haber al menos dos agujasHoras y minutos, así que intenté algo nuevo. En este reloj hay seis divisiones en una hora en luga
Impreso de robot aspiradora de piso - controlada por Arduino con protector de motor, con ruedas de motor

Impreso de robot aspiradora de piso - controlada por Arduino con protector de motor, con ruedas de motor

robot aspiradora de piso. Versión #17. Intento de hacerlo más simple.El robot se mueve por pequeños motores de DC motor-las ruedas incorporadas impresión en impresora 3D:http://www.thingiverse.com/Thing:225576Componentes:Arduino con motor-motor-escud
Espectáculo de láser de Arduino con Control completo de XY

Espectáculo de láser de Arduino con Control completo de XY

Update! Ver 32 paso para saber cómo utilizar este proyecto con una laser verde! Comprobación también - el LaserTweet Instructable para hacer que este proyecto Mostrar datos desde Twitter:Este proyecto utiliza un Arduino y algunos altavoces baratos pa
Combinar 1 o varios Arduinos con un RaspberryPi

Combinar 1 o varios Arduinos con un RaspberryPi

Este instructable es una demostración de la función de Control remoto de Drogon (RDC) incluida con wiringPi.Las bibliotecas de wiringPi, escritas por Gordon Henderson, añaden las funciones que le permiten al programa de la GPIO pins en RaspberryPi en