Paso 3: Los tech bits





La cabeza es una mezcla de cubo y 1 galón de botellas de plástico, los bits que lo hacen trabajar se muestran en la primera foto, cables blancos son para las luces, los colores a los motores. La característica obvia es el ventilador que hace que las llamas se mueven.
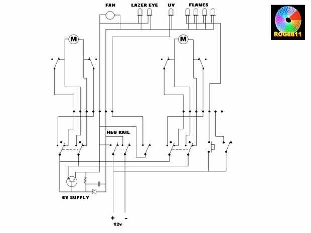
El siguiente arriba es el diagrama del circuito para mostrar la complejidad del cableado con todos sus interruptores de cambio y el límite.
La cabeza del motor se basa en un castor con la rueda quitada y reemplazada con un bloque de madera, este se monta en un bloque más grande de madera :) la mayoría de los cables se oculta bajo el corte botella de 1 galón.
Este montón es montado en el extremo del madera pantógrafo en la última foto.
Las conexiones finales se hacen con un par de bases y clavijas de remolque código de color.