Paso 6: Paso 4








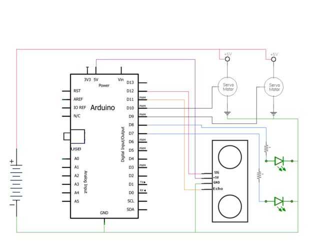
a) comenzar a armar la electrónica mediante la creación de circuitos de la Arduino a la breadboad como se muestra en el esquema previsto.
b) añadir el 1 k Ohm resistencias en serie de los pines de Arduino para el lado positivo de los 2 LED.
c) Fije los lados negativos de los 2 LEDs a la negativa común en el protoboard.
d) además de seguir las instrucciones del fabricante para conectar los servos adjuntar los cables positivo 2 servos a baterías externas para que no se queme el Arduino. El número de baterías necesarias depende de las especificaciones de los servos seleccionadas.
e) Conecte los conductores negativos de baterías externas para el Arduino y protoboard para tener un terreno común.
f) Conecte el sensor ping según las instrucciones del fabricante. Compramos el escudo de un caballero de juguete en la tienda local de dólar para ocultar el sensor ping. Instalamos el escudo bajo el manto que lo suficiente de un hueco en la capa para no interferir con el sensor ping. Combina tan bien que casi nadie lo observa.
g) Fije el dispositivo de BlueTooth según las instrucciones del fabricante.