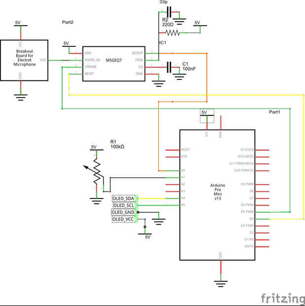
Paso 1: Elementos necesarios + diagrama esquemático

Lo he utilizado, hay muchas formas de pelar un gato!.
Microcontrolador
Teensy 3.2 pero arduino pro mini va a hacer bien, sólo recuerda convertidor FTDI para la programación. 5V y 3v3 versiones tanto trabajan, no que exigente.
http://EUD.DX.com/Product/TJ-02-Pro-Mini-Module-at...
OLED
controlador I2C de 128 x 64. ¿Si usted no puede ver nada, o pantalla es borrosa, consulte sda/scl, tal vez se invierten?
http://EUD.DX.com/Product/0-96-128x64-I2C-interfac...
Módulo de micrófono
MAX9812, era barato y parece comportarse bastante bien. No conectar este módulo de micrófono directamente a la entrada del ADC (analógico), se CA salida incluso pensamiento ADC no dañado, sigue siendo AC que no le gusta el ADC.
Asegúrese de que el módulo es amplificador (utiliza max9812 o similar) en lugar de lm393 o similar, tipos un último ruido detectores de nivel y dan lógico 1 o 0, dependiendo del nivel de ruido, éstos se utilizan en como clap sensores (trampa).
http://EUD.DX.com/Product/max9812-Microphone-ampli...
MSGEQ7
IC que se encarga de filtrar y tal. También, convierte Voltaje de CA de micrófono a voltaje de C.C. seguro que ADC puede leer con seguridad.