Paso 1: Piezas y montaje

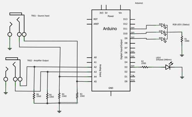
1 x RGB LED (opcional)1
1 x 330 Ohm resistencia (así bien de 220 a 470)2
1 x resistencia de 220 Ohm (100 ohmios es aún mejor para el LED IR)3
1 x LED IR (probablemente necesita 940nm uno)
conectores estéreo de 2 x 3,5 mm
4 x 22KOhm resistencias (10K es mínima, 56K es máximo creo)
Necesita 0022 del IDE de Arduino como no veo la biblioteca de control remoto para el Arduino IDE 1.x sin embargo.
Poner los archivos en el subdirectorio IRremote en la carpeta de las bibliotecas de Arduino
Compilar y cargar el programa en el Arduino.
Notas:
1) LED de estado es opcional, realmente no necesita. pero es útil:
Si aparece verde, significa amplificador está encendido pero no música por fuente
Si se muestra azul, significa amplificador está encendido y la música es interpretada por fuente.
2) aumentando el valor de la resistencia del estado LED hará que sea atenuada que podría desear. Usar sólo una resistencia y eso significa que usted puede sólo tener un color en un momento de este LED RGB. En este caso es por diseño. Si quieres jugar con diversos colores y cosas, necesita pasar a tres resistencias diferentes uno para cada color. Tenga en cuenta que si haces eso, las resistencias deben ser ligeramente diferentes entre el rojo, verde y azul los (por ejemplo 330 para el rojo, 300 para el verde y 270 para el azul el LED RGB que tengo).
3) reduciendo el valor de la resistencia de la IR LED puede aumentar la distancia entre el LED IR y el amplificador bajo control. No vaya por debajo de 100 ohm de lo contrario que podría freír su Arduino. He usado 220 Ohmios como coloqué el LED IR muy cerca del sensor de IR del amplificador.
Cómo conectarse a su sistema estéreo:
La salida del amplificador debe conectarse a una salida del amplificador, conexión a registrador de cinta por lo general no se utiliza ya estos días y muy bien puede ser el mejor lugar para conectar esta unidad a un amplificador (grabación de salida de la cinta del amplificador a la toma del amplificador de esta unidad).
La entrada de la fuente, marcado como Sonos en la figura siguiente (esto es casi siempre la fuente de la música en mi casa estos días) puede ser tomado de conexión RCA de la Sonos o usando un cable split tomar uno en esta unidad y otra para el amplificador.
Disfrutar de la música.