Paso 4: Cambiar las tapas de acople


montar en las tapas de repuesto
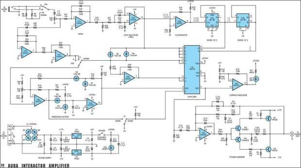
para el reemplazo de C10 y C20 utilizar valores entre 470nF y 2200nF 16V o mayor voltaje.
ahora desolder C7 y reemplazar con un casquillo electrolítico entre 2.2mcF y 4.7mcF igual o superior a 16V. butbe cuidado de pt en el derecho camino porque este caps están polarizado, si yo en el lado del PUR del tablero allí es un círculo impreso por C7. Un lado tiene un pequeño cuadrado negro esto es el lado negativo (-) de la tapa del electrolítico.
cuanto mayor sea la capacitancia (nF más) el anteriores cambiadas de tapones de menor las frecuencias ir. La tensión de las tapas no se utilizar hs ningún efecto en el sonido pero debe tener un mínimo de 16V.