Paso 15: FAQ & diseño compensaciones



¿1) hago realmente necesidad de resistencias?
Absolutamente, sí.
Es una muy mala idea para conectar salidas activas sin alguna resistencia en el medio.
Dependiendo del diseño de los dispositivos que usted está conectando juntos, lo mejor que va a pasar es de leve a severa distorsión en el sonido. Lo peor que puede suceder es el daño a uno o más de los dispositivos. ¿Por qué arriesgar su costoso equipo para ahorrar unos céntimos en resistencias?
¿2) puedo utilizar diodos en vez de resistencias?
Jajaja
Aquí está el porqué: diodos permiten un flujo de corriente en solamente una dirección, pero el sonido es una señal de AC que debe moverse en ambas direcciones. Además, un diodo no "encender", es decir, conducta actual en la dirección hacia adelante, hasta que haya un voltaje de 7 voltios a través de él. Esto significa que usted perderá 7 voltios de la señal y para señales de bajo voltaje, no salir mucho en todo.
Así que sonido sea inexistente o muy distorsionada. De hecho, los diodos se utilizan para crear efectos de distorsión en más viejos pedales de guitarra analógica.
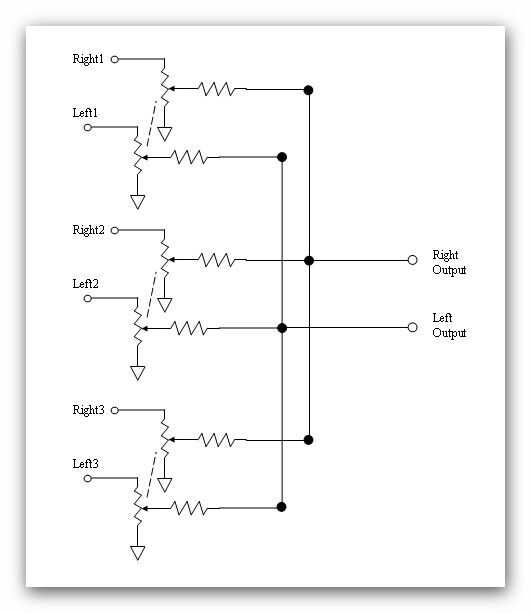
¿3) no tiene un esquema del circuito?
Sí, ver la primera imagen a continuación.
¿4) puedo añadir un control de volumen?
Seguro y allí son un par de opciones aquí.
-Para agregar un control de volumen individual, hacer algo como la segunda imagen de abajo, usando 10 k ohm estéreo audio-taper los potenciómetros. Nota: audio-taper y forma tronco-cónica son la misma cosa.
-Para agregar canales individuales de volúmenes, hacer algo como en la foto 3 de abajo usando el mismo tipo de potenciómetro, audio estéreo 10k la forma cónica potes.
Yo no recomiendo tratar de hacerlo un volumen y volúmenes de canales individuales debido a la pérdida de señal será demasiado grande y requeriría op-amps u otros activa amplificación.
¿5) puedo utilizarlo como un divisor?
Sí, con la batidora como construido, podría Conecte un dispositivo a la salida y luego conectar varios altavoces amplificados, etc. a través de los 4 ' enchufes '. Probablemente perderás algo de volumen y no funciona muy bien para los auriculares, solo entradas de línea.
Sin embargo, si va a utilizar siempre como un divisor de y nunca como un mezclador, puede mejor edificio sin las resistencias. Mientras que las resistencias son necesarias para un mezclador, que no se requieren para un divisor.
¿6) puedo conectar unos auriculares al salida?
No se recomienda. Este circuito realiza lo mejor cuando se conduce una carga de alta impedancia. Como la carga impedancia conectado a la salida es baja (baja impedancia = carga pesada) conseguirá mayor la disminución de volumen y auriculares tienen muy baja impedancia (16 o 32 ohmios común).
En otras palabras los auriculares no será muy fuertes y pueden ser muy tranquilo, es sólo la forma en que funciona.
Si usted quiere mezclar con auriculares, construir/comprar un amplificador de auriculares CMOY. Los amplificadores de auriculares CMOY también vienen en lata Altoids. Hacer una búsqueda en él, hay toneladas de planes y personas que venden por ahí. Usted podría incluso poner el circuito mezclador frente al circuito de amplificador CMOY si usted construye una usted mismo.
Diseño Trade-offs
Este diseño de sacrificar volumen de la señal de simplicidad, sin batería y una distorsión mínima. Esto no es un problema en mi experiencia, ya que mis diversos estereofonias del coche, altavoces amplificados, etc. tienen más que suficiente ganancia para compensar.
Hay algunas ventajas y desventajas que puede hacer para reducir esta pérdida de volumen. Aquí son las relaciones por lo que se puede experimentar con factores como el número de entradas, valor de la resistencia y distorsión aceptable:
Valor de volumen vs resistencia
Cuanto mayor sea el valor de la resistencia, el volumen más perderá. Cuanto menor sea el valor de la resistencia, el menos volumen se perderá.
Valor de carga vs resistencia
Cuanto menor sea el valor de la resistencia y más entradas están presentes, mayor será la carga de cada dispositivo de salida.
Distorsión vs carga
Cuanto mayor sea la carga por un dispositivo de salida, mayor será la distorsión. Reproductores de MP3, etc. están diseñados para conducir los auriculares 16 ohmios (o menos). Sin embargo, la distorsión será mucho mayor cuando entrada de línea de conducción auriculares de baja impedancia (carga alta) que cuando esos mismos productos están manejando una alta impedancia (alta impedancia = bajo carga) de 1 o 2 k ohmios.
Carga de impedancia vs. número de entradas
Cada dispositivo de entrada adicional aumentará la carga vista por los otros dispositivos de entrada ligeramente, pero R (el valor de la resistencia) seguirá siendo el término dominante.
La carga por cada entrada salida es aproximadamente:
Zload = R + (R/N) //Zin
Donde:
N = número de entradas 1
Zin = impedancia de entrada aux o amplificador
= resistencia paralelo fórmula: R1 / / R2 = R1 * R2 /(R1 + R2)
Un Zload de 1 k ohmios o más debe dar una distorsión muy baja. Cualquier cosa inferior a la que comenzará a entrar en mayores niveles de distorsión y algo por debajo de la impedancia de los auriculares será peligroso.