Paso 4:







Para hacer el circuito en primer lugar queremos al viento el toroide, para ello, agarra un alambre sólido y doblado por la mitad así viento dos cables al mismo tiempo, atar un extremo a la toroide para comodidad y empezar a enrollar, tratar de cubrir totalmente el toroide, asegúrese de que el cable está apretado y no hay ningún cable poniendo uno encima del otro.
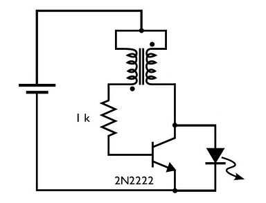
Cuando haya terminado, tendrás 4 cables que salen de él, 2 hacia cada lado, agarra uno de cada lado (de un cable distinto) y unirse a ellos, este cable se conectará al positivo.
Tomar uno de los cables restantes y colocar una resistencia a ella, entonces Únete a la base del transistor (ver fotos de referencia), también puede utilizar un pequeño potenciómetro en serie con la resistencia para regular el brillo
El otro cable debe ir con el colector y el emisor del transistor irá al negativo.
La tira del LED se conectará al transistor, el positivo al colector y negativo al emisor.
Toroides son bastante dolor porque son muy difíciles de identificar, cada uno tiene una determinada inductancia, si el circuito no encontramos correcta será terriblemente ineficaz. Tuve que probar algunos de ellos, el primero de ellos, un pequeño toroide verde, hace la tira que emiten una luz muy suave y el amperímetro demostró 0,21 amperios, demasiado para un brillo tan baja. Debe configurar un protoboard y tratar por separado de cada toroide y midiendo los amperios y la luminosidad de determinar al mejor tipo de prueba y error.
Intentó de nuevo con un tamaño mediano y un gran toroide, ambos anotaron 0,13 amperios, con al menos dos veces el brillo que la primera, ya que no hubo diferencias entre ellos he usado una de tamaño medio por razones de espacio.