Alimentador automático de acuario (2 / 7 paso)

¿Paso 2: Cómo sus trabajos?

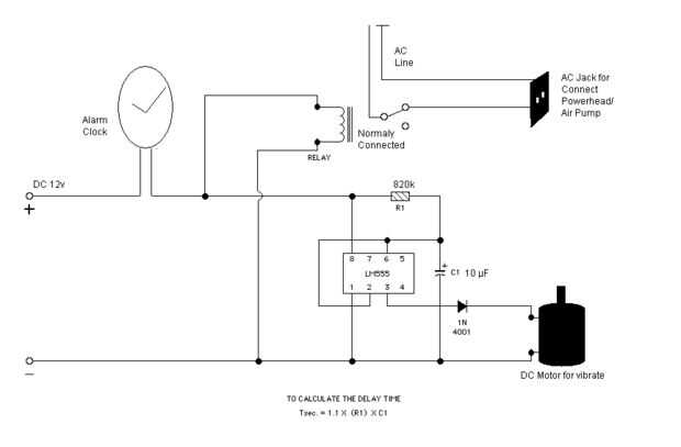
cuelgo sólo el receptáculo de alimentos en la capilla de aquvarium, tiene pequeños agujeros en la parte inferior que lo suficientemente pequeño para sostener o pulsado alimentos adentro tanto como estancia aún sin agitar. y un motor de c.c. en él para hacer vibrar unos segundos para dejar caer los alimentos, que controlador por un circuito de ic 555 temporizador desencadenada en por el despertador barato hackeado. modo alarma automáticamente a desencadenar 555 dos veces al día y motor de 555 funciona unos segundos como 10 segundos en este circuito a continuación. Normalmente estos relojes un poco automáticamente snooze alarmas aproximadamente una hora. es decir tomó una hora para liberar la conexión. así podemos interruptor de relé a través de este power y apague la airpumps durante una hora hasta alimentos claro apagado

Artículos Relacionados

Peces alimentos alimentador automático utilizando Arduino Uno

Peces alimentos alimentador automático utilizando Arduino Uno

En este Instructables voy a mostrarle cómo construir un Alimentador automático de alimentación de peces. Para que no tenga que recordar alimentar a tus peces diariamente porque su Arduino lo hará por usted. También puede configurar contadores en la c
Alimentador automático de Cat CAT-Powered

Alimentador automático de Cat CAT-Powered

problema: Yoshi fue devorado a sí mismo en comida para gatos de su alimentador de gravedad-alimentado, ganando mucho peso incluso en pérdida de peso fórmula alimentaria y vómitos incluso de consumo excesivo (yeuagh).Solución: Un alimentador automátic
Alimentador automático de pescado con luz

Alimentador automático de pescado con luz

Como un estudiante quería que algo florezca hasta mi habitación. Una pecera pequeña parecía perfecta. Pero como siempre estoy ausente para el fin de semana o periodos incluso más largos durante las vacaciones de verano, sería capaz de alimentar a los
3D sistema de embudo impreso para alimentador automático de pescado de mi pecera

3D sistema de embudo impreso para alimentador automático de pescado de mi pecera

f de voto por favor para más 3d proyectos impresos o ideasAsí que tengo esta pecera delgado bonita tiene un espacio limitado donde la comida puede ir sin tomar el pedazo largo de 6 pies de vidrio a... Mi alimentador automático simplemente rocía la co
Alimentador automático Turtle

Alimentador automático Turtle

Este instructable fue creado en cumplimiento de la exigencia de proyecto de la Makecourse de la Universidad de South Florida (www.makecourse.com)Este es el alimentador automático de tortuga! Es la forma automatizada para dispensar comida de tortuga e
Alimentador automático de leche

Alimentador automático de leche

cuando nacen cachorros están envueltos en un saco transparente llamado la membrana amniótica. Esta membrana debe eliminarse de la cara del cachorro para que pueda respirar.Una vez que se borra se iniciará hacia su madre,Leche primer sobre:-el calostr
Alimentador automático de pescado de papel FinFeeder

Alimentador automático de pescado de papel FinFeeder

Mi trabajo me pidieron que vaya fuera de la ciudad durante una semana en sólo unas horas de antelación. Tenía pescado en casa y estaba preocupado de que obtendrían hambriento y agresivo, así que improvisó un alimentador de peces de papel de impresora
Alimentador automático de pescado en 20 minutos

Alimentador automático de pescado en 20 minutos

este es un instructivo sobre cómo hacer un automático alimentador de los pescados (mis feeds versión los peces cada seis segundos para mostrar su trabajo, pero usted pueden modificar el código para que la alimentación después de unas horas o un día).
Alimentador automático de pescado DIY para acuaponia

Alimentador automático de pescado DIY para acuaponia

¿tienes un sistema aquaponic? ¿No puede estar las horas que tus peces tienen que comer? Alimentadores de grandes peces automático son bastante caros. Echa un vistazo cómo hice el mío con 25 euros.Paso 1: el concepto Aquí es un Introdúzca de cómo func
Alimentador automático cat con interfaz web

Alimentador automático cat con interfaz web

Se trata de un alimentador de gato automático basado en el taladro.  Varias libras de comida para gatos se almacenan en el depósito por encima de la barrena, y el alimentador está programado para dispensar automáticamente 1/4 de taza de alimento en l
Control de ventilador automático de acuario con arduino mini

Control de ventilador automático de acuario con arduino mini

otra cosa buena para el acuario, en el calor del verano. :)Con este dispositivo mini arduino, puede encender automáticamente el acuario del ventilador cuando la temperatura del aguacruzado el nivel ajustado.Ajustable entre 21-30 * C. (69,8-86 * F)Sen
AquaFeeder 2.0: Alimentador automático de pescado (con WiFi)

AquaFeeder 2.0: Alimentador automático de pescado (con WiFi)

Cuidar de dos acuarios no es una tarea fácil, especialmente para alguien tan olvidadizos como yo. A veces, olvido alimentar a los pescaditos por varios días hasta que mi madre notara flotante esqueletos de pescado. Bueno, hoy en día eso no ocurre, de
Alimentador automático de pescado

Alimentador automático de pescado

Cuando estés en tu casa y no hay nadie para cuidar de sus peces, puede confiar en alimentador de los pescados caseros. La producción toma aproximadamente 3 horas, 2 horas para la parte mecánica y 1 hora para la electrónica. También no sobrealimentar
¿Peces alimentador automático más simple

¿Peces alimentador automático más simple

tienes un tanque de peces, también amas sus peces, pero usted es la clase de persona que no le gusta hacer nada porque los peces excepto al ver ellos o realmente no tienen tiempo de alimentación entonces (muy improbable) o eres un viajero habitual y