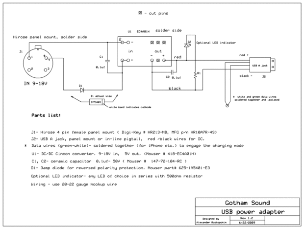
Alimentación USB de Hirose (7 / 7 paso)

Paso 7: El esquema

Lista de piezas y esquema.

Artículos Relacionados

IKEA 'Solvinden' - fuente de alimentación USB Solar

IKEA 'Solvinden' - fuente de alimentación USB Solar

Esta es otra fuente de energía solar instructable. ¡ Pero espere! ¿Qué hace diferente a este?Bien para empezar, sólo cuesta alrededor de $10 y puede encender la mayoría de los dispositivos USB.Pero lo importante es que tiene el dulce estilo sueco IKE
Lámpara de escritorio de cabeza CONVERTIBLE (con entrada de alimentación USB)

Lámpara de escritorio de cabeza CONVERTIBLE (con entrada de alimentación USB)

tras anuncio de concurso linterna lectura, intento hacer un instructable aunque mi inglés no es suficienteEn este proyecto cambiar lámpara de cabeza LED por lo que se puede utilizar como una lámpara de cabeza con alimentación USB.Aquí está el materia
No puedo creer que esto es otra fuente de alimentación USB!

No puedo creer que esto es otra fuente de alimentación USB!

Esto fue inspirado por algunos (leer: mucho) tutoriales sobre "Cómo cargar * alimentación USB", así que invierte la lógica y estoy publicando "Cómo conectar mandenme cargador con puertos USB".Como un "bono", usted puede cualq
Hacer una fuente de alimentación USB protoboard para cerca de nada!

Hacer una fuente de alimentación USB protoboard para cerca de nada!

Esto es como hacer un USB fuente de alimentación para un protoboard sin romper el Banco. La razón por la que hice este instructable es porque cuando hago proyectos en mi protoboard, mis pilas se mantenga en morir. Así que dije a mí mismo y surgió con
Base de luz LED con la fuente de alimentación USB

Base de luz LED con la fuente de alimentación USB

Cómo construir una Base de luz LED versátil con un cargador USB de Smartphone como fuente de alimentación.Después de que terminé mi Instructable reciente (Back-to-the-Future-Plutonium-Fuel-Cell), necesitaba una iluminación adecuada. Como la pila de c
En el tablero de puerto de alimentación USB

En el tablero de puerto de alimentación USB

que recientemente decidí dedicar mi viejo iPod nano como mi dispositivo "auto-tunes" y puesto que la batería está débil quería asegurar energía constante para viajes largos. Compré 2 adaptadores USB para el encendedor de cigarrillos de overstock
Luz de alimentación USB botella de vino.

Luz de alimentación USB botella de vino.

Siempre me ha gustado hacer algo usando el USB. Ahora me gustaría conocer el USB powered luz de botella de vino, que es tan maravillosa por la noche. Esto es muy simple y fácil (que también me gusta) para hacer y la mejor parte es que es una gran ide
Hecho en casa concentrador de alimentación usb (hecho para usb hdd discos)

Hecho en casa concentrador de alimentación usb (hecho para usb hdd discos)

Hola!Bienvenidos a mi tercer tutorial.Esta vez voy a mostrar cómo encender sus discos usb! :)¿Por qué?Si tienes un pc con una tarjeta gráfica sed y una fuente de energía baja puede ser sufrimiento cuelgues aleatorios o inclusono gira los discos duros
Construir un Cable de alimentación USB versátil para sus proyectos de Arduino

Construir un Cable de alimentación USB versátil para sus proyectos de Arduino

Prácticamente todos los proyectos pequeños de electrónica móvil necesitan energía. A menudo alimentación de 5 voltios funciona bien para micro controladores y sensores. Mi fuente favorita de energía 5V móvil son los bancos de potencia. Vienen en much
Cómo Hack Ps3 Portal de poder agregar alimentación USB

Cómo Hack Ps3 Portal de poder agregar alimentación USB

el portal original de la energía (pop) nunca tenía energía USB o CD. Las 3 baterías AA todos los días hacía molesto.Soy ningún experto en electrónica pero leyendo un poco y un poco lógica parece haber trabajado aquí.Se necesita:Un pelacablesPinzasSol
Alimentación USB ventilador refrescado, construido en el Hub USB, bolsa de ordenador portátil parte 1

Alimentación USB ventilador refrescado, construido en el Hub USB, bolsa de ordenador portátil parte 1

bolsas de portátil son caros. los baratos son una mierda total. Los apenas decentes desde como $69,99 y tengo gasto ese dinero un poco cuando no es exactamente lo que quiero en primer lugar, así que decidí hacerlo yo mismo y ver lo que pude llegar a
Convertir una lámpara de LED de batería para alimentación USB.

Convertir una lámpara de LED de batería para alimentación USB.

Saludos,Mi escritorio en el trabajo tiene un aparador con una ventana de enfrente, y después de un cambio de sistema de teléfono perdido el retroiluminado paneles LCD en nuestros teléfonos.  Puesto que mi teléfono quede bajo mi aparador y no me impor
¿Respiración alimentación USB cargador

¿Respiración alimentación USB cargador

están respirando? ¿Tienes un gadget que puede ser cargado mediante un puerto USB? Bien Si respondiste si a ambos, entonces estás de suerte. Este instructable muestra cómo hacer un dispositivo que se carga tus dispositivos USB mientras haces lo que ha
Alimentación USB portátil

Alimentación USB portátil

HolaLa if siempre tonto tu móvil o tablet no funciona, así que me construí un Powerbank no demasiado grande con mucho espacio para actualizarloPaso 1: partes -una caja para todo-un coche de 12v a 5v convertidor-un mini refrigerador-2 interruptores-pa