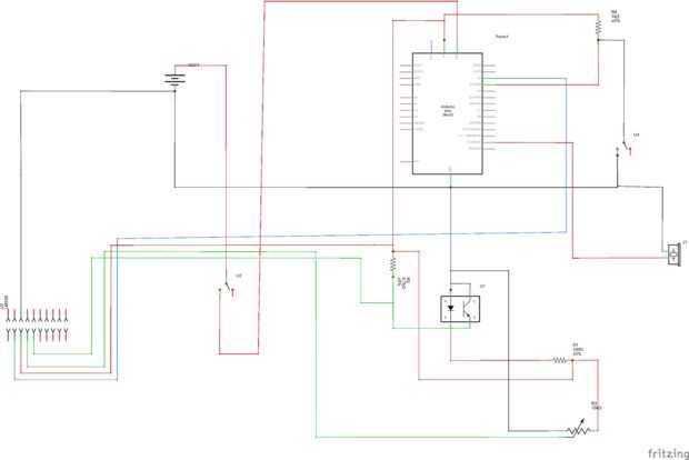
Paso 5: Diseño y construcción del circuito






El circuito en este caso se montó en una placa fenólica por lo tanto es más basado en el esquemático su conexión, el interruptor en la pila es para evitar consumo de energía si no se está usando, y el otro es simplemente para señalar cual es el interruptor de la música. El LM339 está representado por unos pinos ya que Fritzing no tiene el circuito integrado, pero se pueden utilizar cualquiera de sus 4 comparadores en este caso se utilizaron a partir del pin 1 del circuito integrado.
Es importante calibrar con el potenciómetro la distancia del QRD de otro modo no superficie atrapar la lectura de las monedas al caer correctamente.
Al final de este Instructable puedes descargar el archivo de Fritzing del circuito.