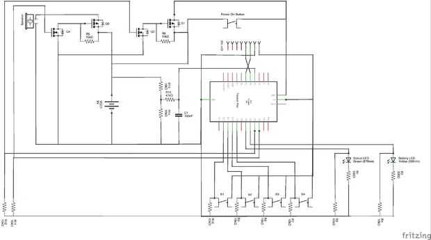
Paso 3: Planificar cómo colocar los componentes en el PCB




Tenía el prototipo en un protoboard, así para hacer de este un proyecto real que tuve que pensar en cómo diseñar el PCB. El PCB utiliza es el que viene con la caja del proyecto, que se puede ver en la foto de la caja del proyecto y los componentes.
- Soldar los LEDs (disculpa la abundante y pobre calidad de soldadura en las fotos 1 y 2!).
- La soldadura en los botones. La forma más fácil es a lazo del alambre en la tabla de rendimiento (a través de un orificio debajo del botón) y luego hacia fuera el agujero donde se le sale la pierna del botón. Esta manera, ambos vienen hacia fuera de la misma dirección y se hizo mucho más fácil soldar. Puedes ver los lazos en pic 3. Asegúrese de que usted poner los lazos en los lados opuestos del botón, para que no se conectan normalmente. Luego coloque el botón en la parte superior los lazos (foto 4) y aplasta hacia abajo (Fig 5).
- Soldadura de los cables a los dos extremos del botón en el lado opuesto del tablero perf (foto 6) también puse un poco de soldadura en las piernas sin usar, solo para soporte físico adicional. Esto completa el resto de los botones (foto 7 y 8).