Alarma de Detector de puerta de nevera (5 / 13 paso)

Paso 5: ATtiny85 nevera alarma Detector de la puerta

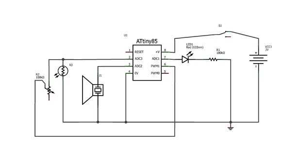
On ATtiny:

Pin 2 - punto medio entre el LDR y el resistor variable de 100kOhms 0
PIN 3 - borne positivo de la alarma
Pin 4 - tierra, polo negativo para el zumbador
PIN 6 - resistor variable 0-100kOhms
PIN 7 - LED y un resistor limitador actual - utilicé un 100kOhms para limitar el consumo de energía y todavía ser capaces de ver la luz por LED
Pin 8 - 2 a 5 V DC de alimentación

Prueba de prueba ahora!

Artículos Relacionados

Alarma de puerta de nevera

Alarma de puerta de nevera

Tengo una nevera vieja y a veces las puertas permanecer abierto perder energía. Así que creé la alarma de puerta de este refrigerador simple que vibrará cuando la puerta está abierta para x segundos.Paso 1: materialesAquí es lo que se necesita para e
SIMPLE ARDUINO SENSOR ultrasónico puerta alarma / motion detector PIR NO!!!!!!

SIMPLE ARDUINO SENSOR ultrasónico puerta alarma / motion detector PIR NO!!!!!!

HOLA A TODOS.antes de empezar, asegúrese de ver mi video si prefieres un video tutorialHaga clic aquí para ir a mi canal para los proyectos más impresionantesHoy que decidí que quería construir una alarma para mi habitación, cuando busqué en línea to
Conexión de sensor de alarma para ventana o puerta con Arduino

Conexión de sensor de alarma para ventana o puerta con Arduino

En este instructable explico de forma sencilla como conectar un sensor magnético un arduino de manera cuando este se dispare, Arduino encienda un LED.Este es el primer paso que dado para construirme una alarma con diferentes sensores basada en Arduin
Seguridad alarma Laser detector o sensor para arduino para principiantes

Seguridad alarma Laser detector o sensor para arduino para principiantes

Hola, chicos hoy me y todos vamos a hacer un detector de láser trabajan con un Arduino y piezo.Cómo funciona. Cuando el láser está bloqueado por el jefe de módulo el piezoalarma para arriba.permite así iniciar. :):):):):):):):):):):):):):):):):):):):
Cómo reemplazar una puerta de nevera dispensador

Cómo reemplazar una puerta de nevera dispensador

si no se abre la puerta de hielo en el dep6sito, usted tendrá que reemplazar el kit de perno puerta del dispensador. Puede seguir los pasos de este video para ayudar a hacer este fácil reparación.
15 minutos SMS alarma de la entrada de la puerta

15 minutos SMS alarma de la entrada de la puerta

Hola chicos este es mi primer instructivo espero te guste!!Enfermé de los altos precios de los sistemas de seguridad de inicio??¿tienen sistemas móviles viejos no saben qué hacer con?construir un sistema de alarma barata que te avisaremos en tu móvil
Refrigerador puerta abierta luz activa alarma

Refrigerador puerta abierta luz activa alarma

Este circuito de alarma audible / visual comenzará poco después de que la luz golpee el LDR(resistor dependiente de la luz) . Si la alarma está dentro del refrigerador, se activará por luz externa (cuando la puerta está abierta) y la lámpara interna.
Modificar un detector de humo EUR 6 para uso con microcontrolador, auto-dialer, vinculación y más

Modificar un detector de humo EUR 6 para uso con microcontrolador, auto-dialer, vinculación y más

en cualquier casa o negocio, detectores de humo y fuego central sistemas pueden ser esenciales para salvar vidas y bienes.  Pero ¿qué pasa cuando nadie está ahí?  Grandes empresas pueden permitirse sistemas monitoreados con aspersores, pero casa dete
Manos sin lavar alarma

Manos sin lavar alarma

Probablemente has visto letreros en los baños públicos que recuerdan a la gente a lavarse las manos. Y te ha preguntado probablemente apenas como a menudo es ignorado este signo. Bueno hoy vamos a hacer una alarma sencilla que le dirá a usted (y todo
Frambuesa Pi alarm

Frambuesa Pi alarm

Hola, les presento mi primer proyecto con el Raspberry Pi, es una alarma de detector de presencia sencilla. Operación es simple, la presencia del intruso es detectada mediante la utilización de un sensor PIR para detectar su presencia que se hace una
Super alarma de alta seguridad

Super alarma de alta seguridad

esta instructable direcciones personales de seguridad. Sí, hay movimiento PIR (infrarrojo pasivo) $20 alarmas de detector allí usted puede conseguir en Walmart o Radioshack, pero por qué no hacer uno que puede1) comunicarse verbalmente y...2) ser rui
Inicio alerta de entrada-salida intruso

Inicio alerta de entrada-salida intruso

Cómo hacer una alarma para la entrada no autorizadaPaso 1: Comprender los elementosObjetivoAlerta de intruso-levantar una alarma para la entrada no autorizadaControl: Conexión de E/S Software descargar aquíPlataforma programa: FBD (incorporado conexi
Smart Home (model)

Smart Home (model)

Vivimos en la edad moderna. El internet está al alcance de nuestras manos y dispositivos inteligentes casi en cada bolsillo. La tecnología que tenemos, nos puede ayudar a:ahorrar más energía, reducir costos y mantener la tierra verde a la vez,ahorrar
Hacer una cámara Dummy/falsa

Hacer una cámara Dummy/falsa

ha tenido alguna vez la sensación de alguien fue "cubierta" a su casa. Tal vez alguien estaba temblando la puerta y cuando se les preguntó si podía ayudarles, preguntó si esto era casa de---'s. Dices que no y vagar. Luego un par de días más tard