Paso 5: Instalación de equipos eléctricos




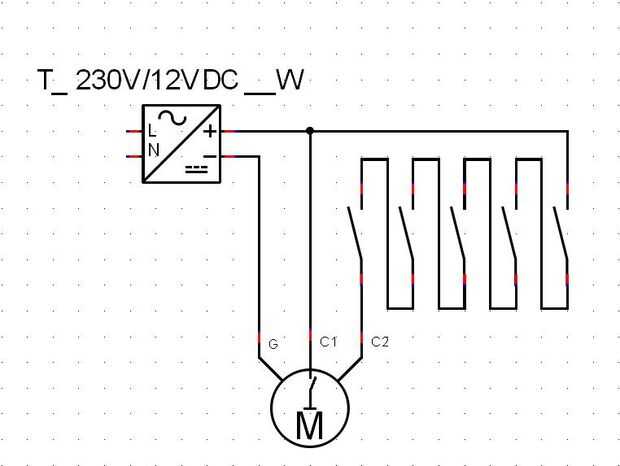
No hay electrónica, sólo contactos.
El contacto C1 constante positiva es la vuelta automática a origen
El contacto C2 del motor es el habitual "on" para un motor de limpiaparabrisas. Una vez que usted simplemente empujó el botón, el motor va para un ciclo completo, debido al contacto de C1.
Aquí, reemplacé el contacto habitual por cinco microinterruptores en serie. Cuando todos los destinos, empujan las palancas de microinterruptores y los 5 contactos están conectados. Así que el motor va para su ciclo completo.