Paso 5: Cableado de todos.




Para el cable de alimentación usé un cable de extensión de alimentación y había picado por la mitad. Este método me ha dejado con un enchufe moldeado para el cable que va a la bomba. Así que no necesito el cable de alimentación existente en la bomba del carnicero. Alternativamente podría montar una toma de corriente en el caso del controlador.
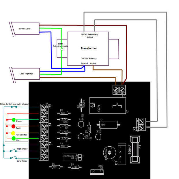
Por favor asegúrese que el cable de tierra (verde/amarillo raya) está conectado el cable eléctrico a través del cable va a la bomba. Para unir los cables de tierra usé un estirón de prensado que entonces fue atornillado al chasis del transformador (con arandela de estrella para asegurar una buena conexión con el metal).
El transformador que usé tenía cables flexibles así que había doblado los 3 cables neutro (azul) juntos usando una Unión aislante (termo retráctil se colocó sobre ella).
Para conectar los 3 del panel del LED el indicador remoto te necesita 4 hilos. Se puede utilizar cable Cat5 o teléfono. También tuve una potencia LED montada en la caja del regulador (no distancia).
El panel indicador remoto se hace de un cuadro de manía que puede comprar de tiendas de electrónica como Radio Shack etc., Dick Smith, Jaycar, Altronics. Las letras que usé fue frotar Letraset en letras. La caja de policarbonato resistente a la intemperie fue comprada de una tienda de artículos electrónicos. Asegúrese de que puede ser sellado para evitar que la lluvia penetre.
Puesto que va a tener una bomba que se sumerge en agua debe el controlador de la energía / de la bomba de una toma de corriente protegida de interruptor de seguridad. Puedes encontrar extensiones baratas que tienen un interruptor de seguridad incorporado en el enchufe.













