Paso 5: Subestación de eléctrica











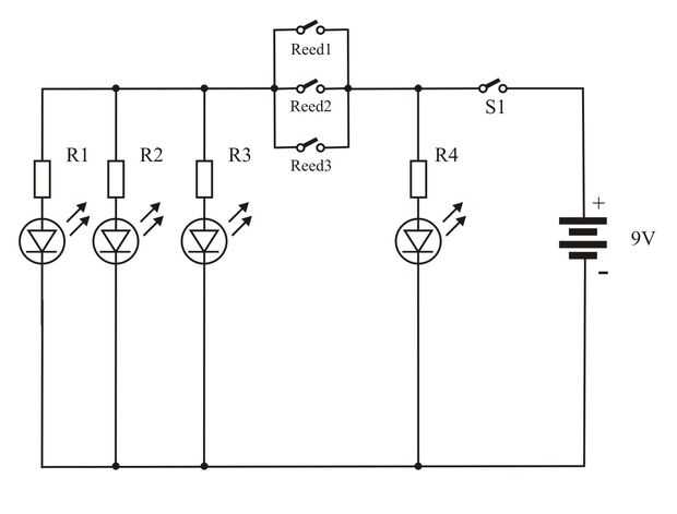
Trabaja como sigue: para girar las turbinas, el imán activa el interruptor de láminas, conectar los LEDs. El más rápido giro, el más rápido el LED enciende y apaga, dando la impresión de en que está siempre.
Obs.: R1, R2, R3 = 2k2ohms y Led1, Led2, Led3 = leds blancos
Ahora, sólo hay que poner las turbinas y el modelo de la subestación. Ahora, tu imaginación es el límite.
Pongo dos polos y una casa, según la figura.
Esperamos que hayan disfrutado. Sugerencias son siempre bienvenidas!			













