Paso 30:



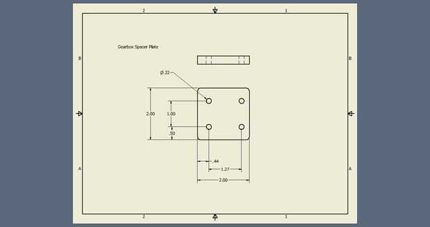
Use 1/4" policarbonato para hacer 2" x 2""separador de bloque de Versaplanetary contra la pared. Cambiar el espaciado si es necesario con arandelas de 1/4" o de un material más grueso. Transferencia de agujeros de la caja de engranajes y taladro con broca 7/32".